【導讀】安森美高性能的次級同步整流驅動控制器NCP4305,能有效地控制和驅動用作次級端整流的MOSFET,用于要求高能效的開關電源(SMPS)設計中如筆記本電腦適配器、USB無線適配器、液晶電視和伺服器電源、高電平脈沖電源適配器等高功率密度AC-DC電源。
同步整流的意義
同步整流旨在通過用低導通電阻的MOSFET代替常規的肖特基二極管進行整流來減小損耗,提升能效。以5 V應用為例,使用肖特基二極管整流將產生0.3 V的導通壓降,而同步MOSFET的導通壓降低于0.1 V,從而實現更高能效。
NCP4305突破目前同步整流控制器的局限
當前市場上的同步整流控制器存在很多局限性:
功能單一,應用場合有限:只適用于某一拓撲而不涵蓋大多數拓撲,如只適用于反激(Flyback) 或LLC而不適用于正激(Forward);只適用于某一工作模式而不涵蓋大多數模式,如只適用于非連續導通模式(DCM)、準諧振(QR),而不適用于連續導通模式(CCM);
由于延遲導通和提前關斷整流管的時間過長,且導通和關斷門限無法編輯,因而無法最大限度提升能效。
安森美半導體的NCP4305突破上述局限,適用于Flyback、LLC、Forward等大多數主流拓撲,以及QR、DCM、CCM等多種工作模式,提供強大的8 A/4 A汲極/源極驅動能力,更短的導通延遲和提前關斷,而且導通和關斷門限可調,有效提升系統能效。
NCP4305基本特性簡介
NCP4305是NCP4303/4的升級版,支持高達1 MHz的工作頻率,提供大電流門驅動器及高速邏輯電路,用于為同步整流MOSFET提供時序恰當的驅動信號。由于其新穎的架構,能在任何工作模式下使同步整流系統保持高能效。工作電壓高達36 V,外部可調節的最小導通和關斷時間幫助解決由印制電路板 (PCB) 布線及其它寄生元件導致的諧振問題,從而提供可靠及無噪聲的工作。典型值12 ns的極短關斷延遲時間使同步整流MOSFET導電時間延至最長,從而提升SMPS能效。零電流檢測(ZCD) 引腳耐壓能力高達200 V,允許在Flyback應用中將CS輸入直接連至MOSFET漏極。該器件使用開爾文連接法以實現滿載時的高能效,采用輕載檢測架構以降低輕載時的功耗。NCP4305的其它特性還包括:門極驅動自適應、精密的真正次級 ZCD、超低瞬態電流(50uA) 、低啟動電流和低待機電流等等。該器件的顯著優勢是能工作于深度CCM狀態中,且極大地改善輕載能效。
NCP4305可采用SOIC-8、DFN8和WDFN8三種封裝。MIN_TOFF 和MIN_TON引腳通過連接電阻到地,調節最小關斷和最小導通時間。LLD引腳用于在輕載時調節驅動器鉗位電平,或關斷驅動器。DRV引腳是同步整流MOSFET的驅動器輸出。CS(電流采樣檢測)引腳用于檢測電流是否流過同步整流MOSFET。TRIG/DIS引腳提供超快關斷輸入,用作在CCM應用中關斷同步整流MOSFET以提升能效,當上拉超過100 us時激活禁用模式。

圖1. NCP4305引腳配置圖(上)和內部電路架構(下)
安森美半導體提供A、B、C、Q四個版本的NCP4305,其中A、C版本可用于氮化鎵(GaN)的驅動,Q版本具有設置最大導通時間的功能。
NCP4305工作原理詳解
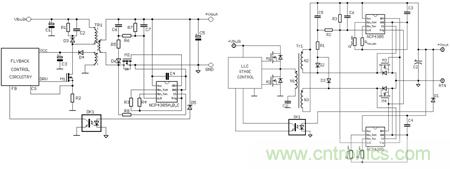
圖2為NCP4305的典型應用原理圖。在LLC應用中,由于次級端有兩個MOSFET,且工作時序不同,所以需要兩個NCP4305分別控制。NCP4305主要用于次級端回路(即負端),但也可置于次級輸出的正端。當置于正端時,必須額外添加輔助線圈為SR控制器提供電源,并添加一些元件到LLD電路中。
圖2. NCP4305 Flyback或QR應用原理圖(左)和LLC應用原理圖(右)
電流檢測
CS_OFF比較器是非常精密的真正的零比較器,通過同步整流將系統能效提升至最高。NCP4305的CS腳和SR MOSFET(M1) 之間的電阻用來調節關斷電流。當CS腳電壓低于VTH_CS _ON閾值時,M1 導通;當CS腳電壓高于VTH_CS _OFF閾值時,M1關斷。

圖3. 電流檢測功能原理圖
由于在GND端和CS端之間不僅包括M1的導通電阻,還包括M1 管腳、PCB布線產生的寄生電感,而寄生效應會導致電流信號發生變化,從而導致驅動器在電流降至0前提前關斷,能效降低。為減小寄生效應,M1管的封裝方式及PCB布線至關重要:GND引腳必須接至M1的源極,CS引腳必須接至M1的漏極,M1管盡量采用SMT封裝。

圖4. 寄生效應影響電流檢測
最小導通和關斷時間
NCP4305可設置最小導通和最小關斷時間,從而屏蔽由于同步整流管導通和關斷瞬間導致的噪聲。由于寄生效應,同步MOS管導通瞬間會產生電壓噪聲。最小的導通時間設置將避免比較器錯誤地關斷同步MOS管。同步MOS管關斷瞬間會產生電壓噪聲,且在DCM的退磁階段產生振蕩。最小關斷時間能夠屏蔽噪聲并防止同步MOS管錯誤地開通。當CS壓降低于CSTH_RESET閾值時,最小關斷時間有隨時重啟的特性。這種特性,適合于應用在DCM工作模式。
自同步整流
NCP4305的TRIG引腳用來控制SR的驅動輸出,也可用來與系統同步。只有當TRIG腳電平低于閾值電壓且最小關斷時間達到以后,SR驅動才會正常工作。在受寄生效應干擾的系統中,該器件啟動進行自同步,這自同步特性提供靈活的控制功能。
觸發功能在CCM中提升能效
在CCM應用中,當初級端MOS管導通時,通過隔離驅動器強制使次級端MOS管關斷;當初級端MOS管關斷, TRIG腳功能使次級端MOS管導通。這種交替導通特性大大提高系統能效。如圖5所示,無觸發功能的初級端和次級端驅動信號交疊的時間為40 ns,遠大于帶觸發功能的12 ns,也就是說,觸發功能將縮短延遲時間,從而降低損耗。

圖5. 觸發功能在CCM中提升能效
Q版本最大導通時間功能使QR控制器工作在CCM模式
QR控制器可代替觸發功能。通過添加一些元件增添最大導通時間設置功能,可使QR控制器強制工作在CCM模式。當最大導通時間超過設定值,提前關斷SR晶體管(仍有一些電流流過次級端電路)。關斷SR晶體管的信息被小信號變壓器轉移到產生偽ZCD狀況的初級端,所以QR控制器可在次級端電流消失前轉向初級晶體管,最終進入CCM模式,這使變壓器可轉換比在DCM模式更多的能量,為QR帶來最大峰值功率優勢,可大大提升重載時的能效。
自適應驅動器鉗位電壓
同步整流系統用于SMPS應用時,可大大提升系統在重載或滿載時的能效。然而,在輕載或無載條件下,SR MOSFET和SR控制器會產生功耗。NCP4305的自適應驅動器鉗位電壓特性可使輸出電壓隨負載而變化,從而優化輕載和無載條件下的能效。輸出電壓可通過LLD引腳從0調至其最大電壓。在Flyback應用中,LLD電路用于間接測量輸出功率,并據此調節驅動器輸出電壓或進入禁用模式;在LLC應用中,LLD電路用于測量跳周期模式的占空比,并據此改變驅動器輸出電壓或進入禁用模式。
結語



