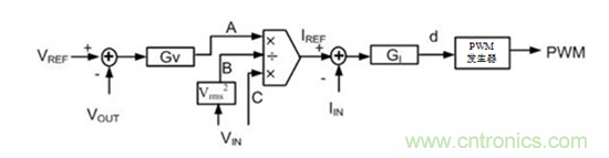
【導讀】功率系數校正(PFC)強制輸入電流跟隨輸入電壓(VIN),使所有電氣負載像電阻一樣。這一過程需要檢測輸入電壓,根據檢測調整電流基準。電流環會按該電流基準調整輸入電流。這稱作平均電流模式控制,如圖1所示。

圖 1:PFC平均電流模式控制
市場上有許多低總諧波失真(THD)商業PFC控制器使用這種平均電流控制算法。然而,這些PFC控制器需要一個專用引腳來檢測VIN,需要精密模擬乘法器用于調整電流基準。
另一個PFC控制算法近來十分流行,該方法不需要檢測VIN,但是仍然可以提供平均電流模式控制。TI的UCC28180就屬于這一類產品。因為不使用VIN檢測引腳和精密模擬乘法器,UCC28180的封裝更小,從而降低了系統成本,而且使用非常簡便。
但是,當我們把UCC28180介紹給設計者時,很多時候得到的第一反應是:“什么?不檢測VIN?那是如何工作的?”本文將嘗試回答這一問題。
圖2為UCC28180使用的算法。低帶寬電壓環調節輸出電壓。測量的輸入電壓為VIin,鋸齒波電壓為Vramp。Vramp大小與電壓環輸出成正比。由于PFC采用升壓拓撲結構,輸入電壓信息已經存在,但是被隱藏了。圖2所示的控制算法使用了隱藏信息。

圖 2:不檢測VIN的PFC
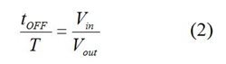
PWM輸出信號由內部時鐘觸發,在開關周期初期總是從低電平開始,如圖3所示。PWM輸出保持低電平,直到線性上升的Vramp與Vin電壓相交。該Vramp/Vin的交點決定了開關關斷時間tOFF。

圖 3:PWM發生器
圖3中:

其中T是開關周期。對于以連續導通模式(CCM)運行的升壓轉換器:

結合公式1和2可以得到公式3:

輸出電壓VOUT在穩定狀態下是常數。因為PFC的電壓環非常慢,Vramp在穩定狀態下也是常數因此,輸入電流僅與VIN成正比。如果VIN為正弦,那么輸入電流也必須是正弦的,以實現良好的PFC。這看起來像變魔術一樣,不是嗎?
推薦閱讀:


