【導讀】我們開設了Si功率元器件的新篇章——“評估篇”。在“通過雙脈沖測試評估MOSFET的反向恢復特性”中,我們將通過雙脈沖測試來評估MOSFET體二極管的反向恢復特性,并確認MOSFET損耗情況。
MOSFET體二極管的反向恢復特性與橋式電路損耗的關系
在逆變器電路和Totem Pole型功率因數改善(PFC)電路等具有2個以上MOSFET的橋式電路中,由于流過上下橋臂的電流會使導通損耗增加。該現象受開關MOSFET和對應橋臂MOSFET的體二極管(寄生二極管)的反向恢復特性影響很大。因此,在橋式電路中,體二極管反向恢復特性優異的MOSFET優勢明顯。
什么是雙脈沖測試?
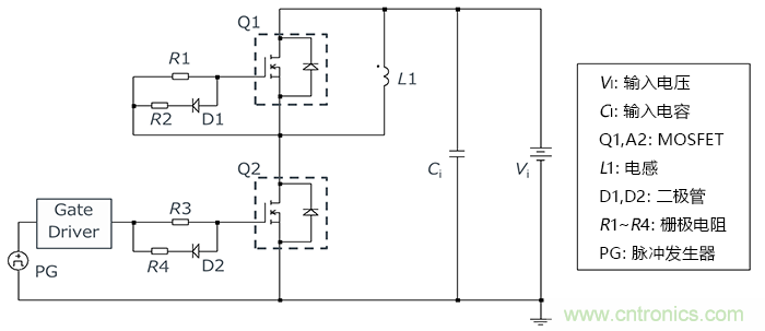
雙脈沖測試是廣泛應用于MOSFET和IGBT等功率開關元件特性評估的一種測試方法。該測試不僅可以評估對象元件的開關特性,還可以評估體二極管和IGBT一同使用的快速恢復二極管(FRD)等的反向恢復特性。因此,對導通時發生反向恢復特性引起損耗的電路的評估非常有效。雙脈沖測試的基本電路圖如下所示。

另外,當該電路的Q1是續流用MOSFET、Q2是驅動用MOSFET時,雙脈沖測試的基本工作如下表所示。基本工作主要可以分為①、②、③這三種。當定義脈沖發生器的電壓為VPulse、流過電感的電流為IL、Q2的漏源電壓為VDS_L、Q2的漏極電流為ID_L時,各模式的工作、電流路徑和波形如表所示。

在工作③中,在Q2導通時可以觀測到短路電流(ID_L紅色部分)。這是由Q1體二極管的反向恢復特性引發的。
當體二極管從ON轉換為OFF時,必須將ON時所蓄積的電荷進行放電。此時,設從體二極管釋放出的電荷量為Qrr,釋放電荷所產生的電流峰值為Irr,Q2的功率損耗為Pd_L,則Q2的導通動作可以如右圖所示。ID_L的三角形面積為Qrr、三角形的高為Irr。

一般情況下,當續流側元件Q1的體二極管反向恢復特性較差、Qrr也較大時,驅動側元件Q2的導通損耗會增加。因此,在像逆變器電路這樣的流過再生電流的應用和Totem Pole型PFC電路中,需要考慮到體二極管的反向恢復特性對損耗有較大的影響。
關鍵要點:
?在具有2個以上MOSFET的橋式電路中,當MOSFET的體二極管反向恢復特性較差時,導通損耗會增加。
?雙脈沖測試是廣泛應用于MOSFET和IGBT等功率開關元件特性評估的一種測試方法。
?雙脈沖測試不僅可以評估對象元件的開關特性,也可以評估體二極管和外置快速恢復二極管等的反向恢復特性。
?雙脈沖測試對導通時發生反向恢復特性引起損耗的電路的評估非常有效。
免責聲明:本文為轉載文章,轉載此文目的在于傳遞更多信息,版權歸原作者所有。本文所用視頻、圖片、文字如涉及作品版權問題,請聯系小編進行處理。
推薦閱讀:




