【導讀】近年來,數字隔離芯片在工業、醫療、汽車等領域越來越多的被工程師所信賴。數字隔離芯片因為體積小,集成度高,功耗低,通訊速度高等顯著的特點,正在逐步替代傳統的光耦器件。數字隔離芯片是系統中涉及到高壓安全的核心器件,因此出廠的時候需要經過嚴格篩選。
UL1577安規標準中明確規定,產品出廠的時候必須要進行產品規格所對應的絕緣耐壓條件下60s或是1.2倍絕緣耐壓條件下1s的測試,通過高壓測試的產品才可以出廠。以隔離強度為3000Vrms的產品為例,其在出廠時需要進行在3000Vrms、頻率為60Hz交流電壓下承受60s或是在3600Vrms、頻率為60Hz的交流電壓下承受1s的高壓測試,通過后才可以出廠。
UL1577規定的高壓測試的檢測方法是檢測絕緣層的漏電流。如果數字隔離芯片的絕緣層耐壓能夠承受測試高壓,那么檢測到的絕緣層的漏電流會比較小,這個數值通常是uA級別,這是因為施加的是低頻的交流高壓,只要隔離兩側存在一定的寄生電容,就會有交流漏電流存在。但是如果數字隔離芯片的絕緣層耐壓不能夠承受對應的高壓,那么絕緣層就會因為高壓而產生不可控制的漏電流,最后導致隔離帶受損。
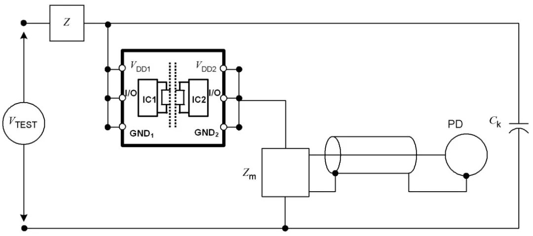
通常數字隔離芯片的絕緣層在生產制造的時候有較高的環境潔凈度要求,不能有氣泡或是空隙的存在,這樣才能保證良好的絕緣效果和較長的絕緣壽命。但是在實際生產過程中,難以確保所有芯片100%的保證絕緣層沒有氣泡或者是空隙,而這些空隙或者氣泡的存在會導致絕緣性能下降,但是這些空隙或氣泡并不能通過檢測高壓漏電流的方法檢測出來。當高壓加在絕緣介質兩端,因為這些氣泡或空隙的存在,會產生局部放電(Partial Discharge),輕微的局部放電對電力設備絕緣的影響較小,絕緣強度的下降較慢;而強烈的局部放電,則會使絕緣強度很快下降。這是使高壓電力設備絕緣損壞的一個重要因素。局部放電會伴隨產生電脈沖、超聲波、電磁輻射、光、化學反應,并引起局部發熱等現象,是電器元件老化的預兆。局部放電檢測的施加電壓不是絕緣耐壓值,而是加在絕緣層上的工作電壓,因為只有工作電壓才是長期作用在絕緣層上的,并且可能會引起不良品反復的充放電,最終導致絕緣層過早地失效。因此,VDE0884-10安規規定在產品出廠測試時,除了高壓漏電流測試外,還需要進行局部放電檢測。局部放電檢測的測試電壓是峰值工作電壓的1.875倍,測試時間為1s,檢測結果的目標值是漏電荷的大小。
圖1. 局部放電測試電路
蘇州納芯微電子股份有限公司的數字隔離芯片NSi81xx系列的所有產品嚴格按照安規要求進行出廠測試。為了進一步提高產品的可靠性,NSi81xx系列數字隔離芯片出廠的FT測試在常規低壓性能測試的基礎上增加了高壓絕緣測試,其中包括了絕緣耐壓測試和局部放電測試兩部分,這為納芯微數字隔離芯片的高可靠性提供了堅實的保障。
納芯微電子為了保證出廠的數字隔離芯片的可靠性,探索建立了一套有效可靠的高壓測試系統,特別是局部放電測試系統,該系統不僅需要專用的檢測儀器,還需要對自動測試的handler進行特殊改造,目前該套數字隔離芯片的高壓測試系統已得到了國內外安規機構的認可。
圖2. 數字隔離芯片出廠FT高壓絕緣測試波形
免責聲明:本文為轉載文章,轉載此文目的在于傳遞更多信息,版權歸原作者所有。本文所用視頻、圖片、文字如涉及作品版權問題,請聯系小編進行處理。
推薦閱讀:



