【導讀】B-Tran 等半導體電源開關是各種高效和清潔能源應用的電源轉換中的關鍵組件。這些應用包括電動汽車、可再生能源發電、儲能、固態斷路器 (SSCB) 和電機驅動。提高半導體功率開關元件的效率和性能可以帶來廣泛的好處,提高經濟性并加速這些應用的部署。
B-Tran 等半導體電源開關是各種高效和清潔能源應用的電源轉換中的關鍵組件。這些應用包括電動汽車、可再生能源發電、儲能、固態斷路器 (SSCB) 和電機驅動。提高半導體功率開關元件的效率和性能可以帶來廣泛的好處,提高經濟性并加速這些應用的部署。
B-Tran結構和工作模式
要了解 B-Tran 的工作原理,我們首先需要了解絕緣柵雙極晶體管 (IGBT) 的工作原理。當開關閉合時,電流流過正向偏置二極管,導致器件電阻顯著降低,并允許它以較低的電壓降傳導較高的電流水平。這稱為“電導調制”。
但是,IGBT 的關斷時間比 MOSFET 慢,因為當器件導通時,額外的電荷載流子會填充 P 區。當打開開關以關閉設備時,這些電荷載流子無處可去,設備保持部分導電狀態,這需要很長時間才能關閉。為了加快關斷過程,在制造過程中故意引入了缺陷,但這也會增加導通狀態下的電壓降。因此,在低導通電壓降和關斷時間之間存在權衡,較長的關斷時間會導致較高的開關損耗。
B-Tran 是一種晶體管,每側都有兩個控制開關,可提高其性能和可靠性。B-Tran 與 IGBT 的結構類似,以輕摻雜襯底作為漂移區,兩側重摻雜區作為發射極,具有基于發射極(E1 和 E2)和少數載流子注入器(B1)的三種模式和 B2)。
圖 1:B-Tran 的不同模式(:Ideal Power Inc.)
關閉模式:在圖 2(a) 中,高壓 (1,200 V) 施加到頂部發射極 E1,而下方注入器 B2 接地。E1 和 B2 之間形成的耗盡區阻擋高壓,防止其流過晶體管。
開啟模式:在圖 2(b) 中,將 1 V 的正驅動偏壓施加到頂部噴油器 B1-E1。這種偏壓注入導致少數載流子的載流子密度增加,然后注入漂移區。結果,由于 N 漂移區中載流子密度的增加,頂部 E1 和底部 E2 之間的電阻顯著降低。
預關斷模式:為了降低B-Tran的關斷損耗,需要一個預關斷階段。該階段涉及將頂側和底側(B1-E1 和 B2-E2)的基極和發射極端子短路,如圖 2(c) 所示。這種短路導致 B1 上的驅動電流減小到零。因此,重組過程被強制執行,這減少了存儲的電荷并有助于化關斷損耗。
B-Tran 性能和模擬
圖 2:(a)符號;(b) 真正的 B-Tran;(c) B-Tran 特性(:Ideal Power Inc.)
圖 2(a) 是 B-Tran 的符號表示,圖 2(b) 顯示了 B-Tran 的物理結構。圖 2(c) 說明了器件的雙向工作特性。它有兩個控制輸入(B1 和 B2),可以阻斷正極和負極的電壓,同時還可以雙向傳導電流。除了其雙向功能外,它還可用于單向應用,如電壓源逆變器或電池充電器。
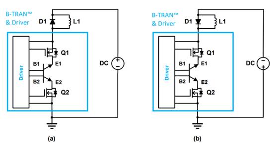
圖 3:(a) 電流從 E1 流向 E2;(b) 電流從 E2 流向 E1(:Ideal Power Inc.)
該原理圖包括兩個具有低 R DS(on) (< 3mΩ) 的共源共柵 MOSFET(Q1 和 Q2),可用作正常關斷開關,類似于 IGBT。這些 MOSFET 可以在關斷狀態下阻斷高壓,并在導通狀態下以低損耗傳導大電流。然而,它們不具備高能量轉換能力。圖 4(a) 中的設置是在電流從高側流向低側 (E1 至 E2) 時測試的,而圖 4(b) 中的設置是在電流從低側流向高側 (E2) 時測試的至 E1)。作為 DPT 的一部分,電感器 (L1) 和快速恢復二極管 (D1) 跨接在電感器兩端。
圖 4:晶圓級測量擊穿電壓曲線和正向壓降 V EE(on)與電流 I E(A)(:Ideal Power Inc.)
利用吉時利大功率測試系統對B-Tran進行初步測量。為了測量擊穿電壓和漏電流,在觀察電流的同時增加器件兩端的電壓。測量表明擊穿電壓為 1,280 V。發射極-發射極飽和電壓和電流增益 (β) 也分別確定為 0.6–0.8 V 和 7。該圖顯示了三個基射極電壓 (V BE )值的輸出特性。該器件需要大約 1 V 的基極偏置電壓才能開啟。此外,正向壓降 V E1E2(on)和輸出電流 (I E1)對于每個基極 - 發射極電壓。換句話說,隨著輸出電流的增加,正向壓降也以線性方式增加。
B-Tran 應用程序
B-Tran 在各個領域都有實用性,包括但不限于電動汽車、可再生能源生產、儲能、電機驅動和 SSCB。
圖 5:使用 B-Tran 的 SSCB(:Ideal Power Inc.)
在 SSCB 中發揮關鍵作用的 B-Tran 的基本特性是其傳導特性和正向壓降,可有效減少斷路器中的功率損耗?;?IGBT 和基于 B-Tran 的電路之間的比較得出結論,當負載電流為
矩陣轉換器
圖 6:使用 B-Tran 開關的三相矩陣轉換器(:Ideal Power Inc.)
如果轉換器使用 B-Tran 器件,則只需要其中的 9 個,而基于碳化硅 MOSFET、硅 MOSFET 或反向阻斷 IGBT 的轉換器將需要 18 個器件,如果雙向開關(BDS)則需要 36 個器件) 使用 IGBT 和快速二極管。為了產生具有所需幅度和頻率的可變輸出電壓,需要一組 BDS 將三相電源直接連接到矩陣轉換器中的三相負載。這種設置通常用于電梯、自動扶梯和軋機的電機驅動,以及用于智能電網的光伏 (PV)、風能和燃料電池功率轉換系統等可再生能源應用。
B-Tran 拓撲是一種新型功率半導體拓撲,與現有技術相比具有顯著優勢。通過仿真,它展示了類似于 MOSFET 的低損耗快速開關、類似于 IGBT 的高電流密度和類似于雙極結型晶體管的低正向壓降。此外,B-Tran 具有獨特的雙向特性。在變頻驅動、電動汽車牽引驅動、光伏逆變器和風能轉換器等功率轉換器中使用 B-Tran 可能會提高效率和系統經濟性。
免責聲明:本文為轉載文章,轉載此文目的在于傳遞更多信息,版權歸原作者所有。本文所用視頻、圖片、文字如涉及作品版權問題,請聯系小編進行處理。
推薦閱讀:
第十一屆中國電子信息博覽會創新評獎專家評審工作順利完成 看獎項花落誰家
CITE2023系列高端論壇重磅來襲,強勢聚焦中國電子信息產業
了解用于模擬/數字轉換器的單傳輸對串行通信的新 JESD204 標準


