【導讀】在電源工程師歡呼有源鉗位正激轉換器(ACFC)突破50%占空比限制之際,一個被長期忽視的設計陷阱正在浮現——最小占空比(Dmin)的精細控制已成為決定系統可靠性的生死線。實測數據顯示,當Dmin低于15%時,ACFC的開關損耗會陡增300%,電磁干擾(EMI)惡化達18dBμV。
在電源工程師歡呼有源鉗位正激轉換器(ACFC)突破50%占空比限制之際,一個被長期忽視的設計陷阱正在浮現——最小占空比(Dmin)的精細控制已成為決定系統可靠性的生死線。實測數據顯示,當Dmin低于15%時,ACFC的開關損耗會陡增300%,電磁干擾(EMI)惡化達18dBμV。
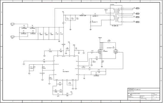
本文以隔離式ACFC電源為例,闡述最小占空比對設計的影響。該轉換器用于將輸入24 VAC或48 ~ 60 VDC,轉化為15VDC,1.5 A輸出。其隔離特性使其適合為現場工業應用供電。ACFC拓撲幫助實現了高達91%的峰值效率。設計要求如表1所示。
表1. 設計要求

ADI公司的 MAX17598是有源鉗位電流模式PWM控制器,其中包含隔離正激轉換器電源設計所需的所有控制電路。本文深入探討了二次自整流電路設計的考慮因素和評估結果。
二次自整流電路的設計考慮
ACFC通過使用自整流電路,實現了更高的效率。圖1為基于MOSFET的典型自整流電路原理圖。與傳統的二極管整流電路相比,MOSFET的導通電阻更低,所以其電路效率更高,尤其是在低電壓、大電流輸出的情況下。

圖1. 通用輸出自整流電路
然而,當輸出電壓接近或超過 MOSFET柵極電壓工作范圍時,這個設計就不合適了。我們可以通過附加電路來產生這些MOSFET的柵極驅動電壓。圖2為該電路的細節信息。G1和G2連接到變壓器的輔助繞組。

圖2. 輔助繞組變壓器中的柵極驅動電路
柵極1連接到N2的柵極(如圖1所示),柵極2連接到N1的柵極。柵極1和柵極2與開關周期同步。當柵極1輸出高電平時,柵極2輸出低電平,反之亦然。完整電路如圖3所示。


圖3. 性能測試使用的示例電路
該環路必須確保輸出處于MOSFET VGS的工作范圍內。公式1反映了柵極驅動電壓與匝數比之間的關系。
KGATE為變壓器比率。NG為變壓器繞組的匝數。NP為變壓器初級繞組的匝數。VGATE_MAX為MOSFET柵極驅動電壓的最大電壓。VDC_MAX 為直流輸入電壓的最大電壓。
當初級環路的主開關閉合時,施加于變壓器的電壓為正,即 VDC。因此,柵極1的輸出為高電平,柵極2的輸出為GND。它與匝 數比和直流輸入電壓有關。
當主MOSFET關斷時,鉗位電路將漏極電壓限制為VCLAMP。VCLAMP高于VDC,因此柵極1的輸出為GND,而柵極2的輸出為高電平。
鉗位電壓可通過下式計算:
柵極2的電壓與匝數比以及VCLAMP和 VDCINPUT之間的差距有關。
占空比會隨輸入電壓而變化,因此必須確保柵極的驅動電壓能 夠以完整的 VIN范圍驅動MOSFET。應用最大直流輸入和最小導通率 時,柵極驅動電壓將達到最小值。
p>在設計示例中,柵極2最低電壓可依照式5進行計算。當輸入直流電壓達到最大值時,柵極2上的電壓只有4.23 V。
如果該電壓低于VGS導通閾值,則二次整流電路的MOSFET將無法準確工作。這可能導致當輸入電壓接近最大值時,電源在沒有任何負載的情況下無法啟動。在示例電路中,VGS閾值電壓為3 V, 小于計算出的最小VGATE2 。
圖4為示例電路的測量結果。CH1為柵極1的電壓。CH2為柵極2的電壓。CH4為主面N-MOS的源漏電壓。

圖4. 柵極1和柵極2電壓以及MOSFET漏極電壓(VIN = 60 V) 。
示例電路的性能
為了驗證柵極驅動電路計算的準確性,我們對示例電路進行了性能測試。圖5為不同負載電流(0A、0.5A、1A、1.5A)下的輸入和輸出電壓。
圖5. 不同負載下的輸入和輸出電壓
圖6顯示了輸出電壓水平如何隨輸出電流不同而變化。不同的線表示不同的輸入電壓。
圖6. 輸出電流和輸出電壓
圖7為不同輸入電壓和負載下的峰值效率。當輸入為36 V、輸出為1.5 A時,峰值效率達到91%。
圖7. 峰值效率
波特圖顯示了峰值效率工作條件下的環路穩定性,即 VDCINPUT = 36 V、 IOUTPUT = 1.5 A。
圖8顯示了環路響應。

圖8. 波特圖
圖9和圖10顯示了輸出峰峰值電壓。圖9是無負載電流的情況,圖10是滿負載的情況。

圖9. 空載時輸出峰峰值電壓

圖10. 滿負載1.5 A時輸出峰峰值電壓
圖11和12顯示了負載瞬態響應。圖11為負載從零變為滿負載。圖12為負載從滿負載變為零。CH1測量的是輸出電壓(交流耦合)。CH2測量的是輸出負載電流。
圖11. 瞬態響應(0 A至1.5 A)
圖12. 瞬態響應(1.5 A至0 A)
結論
綜上所述,對ACFC的研究讓我們對其性能和效率有了重要認識。通過分析二次整流電路的設計以及占空比的影響,我們發現,當需要額外的輔助柵極驅動電路時,最小占空比會受到限制。
此外,ACFC憑借其出色的能量回收特性,成為了有前景的高效電源系統解決方案。通過本文可知,占空比存在一個最佳范圍。也就是說,最大占空比和最小占空比對于基于MOSFET的整流電路都很重要。
將本研究的成果應用于設計和實施ACFC,有助于避免設計階段出現問題。
免責聲明:本文為轉載文章,轉載此文目的在于傳遞更多信息,版權歸原作者所有。本文所用視頻、圖片、文字如涉及作品版權問題,請聯系小編進行處理。
推薦閱讀:
碳化硅能效革命核心突破點:共源共柵(cascode)結構詳解
賦能AI與能源及數字化轉型,TDK解決方案亮相慕尼黑上海電子展




