隨著人們對汽車輔助駕駛系統智能化要求的提高和汽車電子系統的網絡化發展,新型的倒車雷達應能夠連續測距并顯示障礙物距離,并具有通信功能,能夠把數據發送到汽車總線上去。
以往的倒車雷達設計使用的元器件較多,功能也較簡單。本文介紹的基于新型高性能超低功耗單片MSP430F2274的倒車雷達可以彌補以往產品的不足。
TI 公司的16位單片機MSP430F2274功耗極低,片上資源豐富,同時利用JTAG 接口技術,可以對片上閃存方便的編程,便于軟件的升級,非常適合作為倒車雷達系統的微控制器。倒車雷達系統的框圖如圖1所示。

圖1 倒車雷達系統框圖
電路設計
系統以MSP430F2274微控制器為核心,外圍電路由超聲波發射電路、超聲波接收電路、聲光報警電路、通信接口電路、鍵盤液晶顯示電路五部分組成,下面逐一介紹。

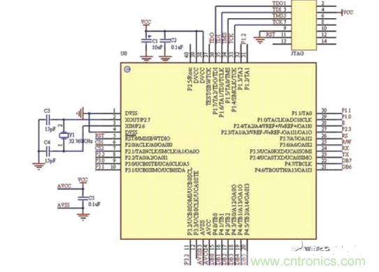
圖2 倒車雷達系統主控電路圖
系統的主控電路圖如圖2所示。本系統中選用的MSP430F2274片內有32Kb 閃存和1KbRAM,因此無須外擴存儲器。外接的32.768kHz 晶振作為CPU 關閉狀態Basic-TImer 的時鐘源,同時也作為系統的車載時鐘使用。
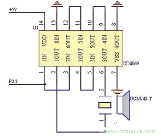
超聲波發送模塊電路如圖3所示,由超聲波產生和發射兩部分組成。超聲波的產生方法有兩種:硬件發生法和軟件發生法。常用的硬件發生法常采用如下方案:超聲波由CD4011構成的振蕩器振蕩產生,經升壓變換推動超聲波換能器而發射出去,振蕩器的起振和停振由單片機來控制。本設計采用軟件發生法,因為通過軟件發生法既可以減少硬件的復雜程度,降低系統的成本,又具有靈活性強、容易實現、穩定性好的優點。本系統利MSP430F2274單片機的定時器功能來產生穩定的PWM(40Hz)脈沖波,并通過I/O 端口P2.3輸出到超聲波發射部分。在超聲波發射電路中CD4049一共包括了6個非門,圖3 中線路僅使用了3個,為了防止干擾或被靜電擊穿導致整個CD4049損壞,把沒有使用的那一側的3個非門串起來做接地處理。當控制端輸出一系列固定頻率脈沖時,在壓電陶瓷型超聲波發射換能器UCM-40-T 上就固定頻率的加正電壓和反電壓,發出大功率的超聲波,所得到的波形比其他方式效果更理想。

圖3 倒車雷達超聲波發送模塊
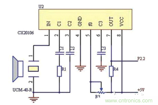
超聲波接收電路如圖4所示。這是本系統設計和調試的一個難點。壓電陶瓷型超聲波接收器UCM-40-R 接收反射的超聲波轉換為40kHz 毫伏級的電壓信號,需要經過放大、處理、才能用于觸發單片機中斷。一方面傳感器輸出信號微弱,由于反射條件不同,需要放大倍數的范圍大約是100~5000,另一方面傳感器輸出阻抗較大,需要高輸入阻抗的多級放大電路,而高輸入阻抗容易接收干擾信號。通常采用兩種方案:一是采用運算放大器組成多級選頻放大電路;二是采用專用的集成前置放大器。第一種方案容易產生自激振蕩,要使接收電路達到很好靈敏度和抗干擾效果,電路的調試是較困難的。本系統采用專用的集成電路前置放大器CX20106,它由前置放大器、限幅放大器、帶通濾波器、檢波器、積分器、整型電路組成。其中前置放大器具有自動增益控制功能,可以保證在超聲波傳感器接收較遠反射信號輸出微弱電壓時放大器有較高的增益,在近距離輸入信號強時放大器不會過載。調節芯片引腳5的外接電阻R3,將它的濾波器的中心頻率設置在40kHz,達到了很好的效果。當接收到與濾波器中心頻率相符的信號時,其輸出引腳7輸出一個低電平,而輸出引腳7直接接到MSP430F2274的P2.2上,以觸發中斷。

圖4 倒車雷達超聲波接收模塊

圖5 倒車雷達聲光報警電路圖
報警模塊采用簡單的聲光報警電路,如圖5所示。先設定一個臨界值,當車尾與障礙物的距離小于設定的最小距離時,紅色指示燈閃亮,綠色指示燈熄滅。單片機向其端口發出PWM 脈沖,隨著距離的減小,通過控制PWM 脈沖的占空比使閃光和蜂鳴的頻率加劇,以此來提示駕駛員。

圖6 倒車雷達通信接口電路圖
通信接口電路如圖6所示。采用美信的MAX3232芯片,外圍電路非常簡單,只需要5個0.1μF 的電容器。該電路把單片機串口輸出信號隔離變換成RS-232信號發送到汽車總線上,同時還可以實現該系統與計算機的通信。

圖7 倒車雷達鍵盤顯示電路圖
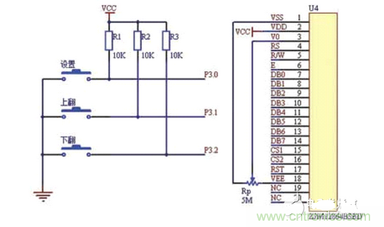
鍵盤和顯示電路如圖7所示,由鍵盤和液晶顯示兩部分組成。其中鍵盤采用獨立式按鍵,有3個按鍵,一個設置鍵、一個上翻鍵、一個下翻鍵。可以進行報警值、工作方式、時鐘等各個參數的設置。液晶顯示電路采用ZJM12864BSBD 這款低功耗的點陣圖形式LCD,顯示格式為128點(列)&TImes;64點(行),具有多功能指令,容易使用,可實時的顯示時鐘、距離和報警提示信息,方便直觀。
編者結語
該倒車雷達采用了高性能的MSP430F2274單片機,并充分利用了其片上資源使得系統功能豐富,使用的外圍芯片減少,系統可靠性得到提高。該倒車雷達應用于汽車中,當駕駛員倒車時,從液晶顯示屏上一目了然便知道障礙物離車的距離,克服了后視鏡小,視野窄的缺點,消除了倒車造成的事故隱患。



