【導讀】傳統上,模擬IC設計工程師都是通過提升電源電壓和工作電流來提高設備的運行速度和動態范圍,但在能源效率意識愈強的今天這一方法已很難達到最佳的效果。現今,設計者不僅追求更高的工作頻率、可用帶寬、噪聲性能和動態范圍,還要同時保證設備的功耗不變甚至更低。
傳統上,模擬IC設計工程師都是通過提升電源電壓和工作電流來提高設備的運行速度和動態范圍,但在能源效率意識愈強的今天這一方法已很難達到最佳的效果。現今,設計者不僅追求更高的工作頻率、可用帶寬、噪聲性能和動態范圍,還要同時保證設備的功耗不變甚至更低。
美國國家半導體公司的PowerWise產品采用創新的架構和領先的制作工藝,不但性能強勁而且功耗極低。本文將通過采用圖1中的參考設計平臺來展示如何利用高能源效率的模/數轉換器(ADC)、全差分放大器和時鐘調整電路來開發一個完整的模擬系統。首先,我們先從PowerWise 品牌背后的技術內涵談起。

圖1. 完整的參考設計電路板,當中包含有ADC、全差分放大器和時鐘調整器電路。
為特定組件度身訂造的工藝技術
用來開發模/數轉換器(ADC)的工藝技術并不一定適合用來開發高頻的低噪聲放大器。事實上,半導體公司一般都會使用幾種不同的工藝技術,例如CMOS、BiCMOS和SiGe等。而使用哪一種工藝則取決于組件的要求。如果沒有優秀的工藝技術相配合,再完美的電路設計也是有缺憾的。
不同于其他大多數的半導體供應商,美國國家半導體采用純CMOS技術去設計大部分最新的ADC。今天,CMOS技術可謂無處不在,原因是CMOS的邏輯門沒有任何的靜態功耗,但擁有較高的驅動電流和速度。考慮到ADC內包含有大量的數字電路,因此用純CMOS技術去實現電路設計便可實現比BiCMOS更低的功耗。數字CMOS門電路在直流模式下不會消耗電流,但雙極的門電路即使在直流模式下都需消耗電流,因為電路需要偏置電流來維持性能參數。結果,芯片中的數字部份會消耗較多的電流,從而提高整體的功耗。
美國國家半導體特別開發出VIP 10工藝來配合放大器電路的設計。VIP 10是一種高速、介質隔離的互補雙極電路工藝,它在一片鍵合晶圓(bonded wafer)上采用深槽技術實現完全的介質隔離以及優化的高速放大器性能。鍵合晶圓采用的深槽技術可盡量降低寄生電容,優化功率/帶寬性能、降低失真并使裸片的體積更小。采用高性能NPN和PNP晶體管的互補雙極晶體管設計可以為現今的高速放大器帶來最優的性能組合,包括高帶寬、低功耗、低電源電壓、大輸出擺幅、高輸出電流和低失真。對于雙極晶體管來說,最常用的AC品質因素是過渡頻率(FT),在這頻率下共發射極電流增益下降到單位級。在VCE=5V下,VIP 10 NPN和PNP的FT分別為9GHz和8GHz,大約比同類競爭的工藝高出50%。晶體管的高FT意味著在既定工作點下其發射極-基極擴散電容值會很低。配合VIP 10晶體管,美國國家半導體可以設計出帶寬超過1GHz 或帶寬在100MHz 范圍以內的放大器,而且其功耗可以非常低。因為擴散和寄生電容同時被大幅削減后,內部級在很低的工作電流下也會出現低相位位移。對于某些雙極工藝來說,FT可以在較低電壓下大幅地下降,但若采用VIP 10工藝,那即使Vce=1V,FT都可維持在高水平:NPN可達7GHz而PNP可達5GHz。下面的公式1表示出一個雙極晶體管的過渡頻率是如何計算出來。

其中:

k是玻爾滋曼常數、T是絕對溫度、Cte 是發射極電容、q是電子的單位電荷、IC 是集電極電流、WB是基帶帶寬、μB是電子移動性、rcs是集電極電阻、Ccb 是集電極電容、Xs 是集電極空間電荷區的寬度,而vx則是集電極空間電荷區的飽和速度。
創新的技術
上文中我們已探討過IC設計者通曉了最優的電路設計方法、專利架構和尖端的工藝技術就基本掌控了到業內最先進的技術,從而能夠在競爭激烈的市場中開發出與眾不同的產品。要進一步鞏固競爭優勢,設計者還必須緊隨業內發展的潮流,諸如美國國家半導體的PowerWise等創新技術。PowerWise技術可以使數字處理器(例如DSP或FPGA)中的DSP或FPGA功耗降低70%。
PowerWise采用自適應電壓調整(AVS)和閾值調整技術可以在維持系統最低開銷的情況下自動將數字邏輯電路中的工作電路和漏電功耗減到最低。PowerWise技術在業內是獨一無二的,它是唯一一種可供所有電路開發商使用的先進系統級能源管理方案,不但內容完備而且還可提供詳細的知識產權信息。通過使用簡單的標準硬件接口,加上業內知名合作伙伴ARM、TSMC、UMC、Synopsys等支持,這項技術可應用到任何CMOS工藝,而且設計工具和流程都已標準化,可配合任何的操作系統或應用,實現最優的能源效率。
建立一個完整的模擬系統
設計參考可以為設計工程師提供了設計模版,其重要性不言而喻。特別是要求在不增加功耗的前提下提升系統性能時,設計參考就顯得更為重要了。大多數棘手的設計問題,例如選擇正確的組件、組件布置、系統布局和布線等,都可在這些設計參考中找到答案。基于服務客戶創建的高性能模擬系統的知識積累,美國國家半導體建立起了一個匯聚杰作的設計參考庫。以最新加入參考庫的ADC14DS105KARB參考設計為例,它采用了最新的PowerWise 家族LMH6552 1.5GHz差分驅動器作為信號鏈的一部份。該組件與高速的ADC14DS105數據轉換器和定時方案結合在一起,為測量儀表的設計者提供一個良好的參考工具。
ADC14DS105KARB接收器參考設計板
ADC14DS105KARB是一個近零中頻接收器參考設計板,它所使用的組件如下:兩個LMH6552 1.5GHz 帶寬差分電流反饋放大器;ADC14DS105 帶有LVDS輸出的14位、1GHz、雙路、105MSPS模/數轉換器;LMK02000低抖動精密時鐘調整器,它帶有一個可在100Hz到20MHz帶寬范圍內提供128fs抖動的集成鎖相環路(PLL);數個高能源效率的電源管理電路。
ADC14DS105KARB (其框圖見圖2)是一塊中頻接收器子系統參考設計板,它采用一對LMH6552差分驅動器和一個雙路ADC,可以立即測試適用于直流電至40MHz信號頻率的正交直接轉換或近零中頻接收器。這個接收器架構現已被廣泛應用到WiMAX 和WCDMA接收器系統。

圖2. 參考設計板的框圖。
由于ADC的輸入帶寬高達1GHz,而差分放大器增益級的帶寬高達1.5GHz,因此若輸入信號不超過40MHz,大信號的信噪比可達 73.3滿刻度分貝值(dBFS),而無雜散信號動態范圍(SFDR)則超過85dBFS。這款電路板除了采用LMH6552之外,還安裝了美國國家半導體的14位、 105MSPS、低失真、低噪聲、并可輸出串行LVDS數據的雙通道模擬/數字轉換器ADC14DS105、低抖動時鐘調整器LMK02000以及多顆高能效的電源管理IC。
LMH6552是一個高性能全差分放大器,它能提供驅動14位高速數據采集系統所需的超強信號保真度和寬闊的大信號帶寬。通過采用獲得專利的差分電流模式輸入級架構,LMH6552能夠在不犧牲響應平坦度、帶寬、諧波失真或輸出噪聲性能下,在增益大于一個單位級下工作。
配合外置的增益設置電阻器和集成式的共模反饋, LMH6552可被配置成一個差分輸入到差分輸出,或信號單端輸入到差分輸出的增益級。LMH6552的輸入端可作交流耦合或直流耦合,因此可以應用到諸如通信系統及高速示波器的前端電路等非常廣泛的領域。
LMH6552的電流反饋拓撲使器件即使在高增益下,只需選擇合適的反饋電阻(RF1, RF2),便可提供有超強增益平坦度和噪聲性能的增益和帶寬獨立性。在大多數的應用中,RF1都被設置成等于RF2,因此增益是由RF/RG的比例來決定。
LMH6512的數據表根據各種各樣的增益給出最優的反饋電阻器數值。無論是過大或過小的RF都會對穩定性構成影響。在許可的情況下,反饋電阻器還可以調整頻率響應。
電流反饋放大器的另一優點是需要內部增益級相對較低。通常一個電流反饋放大器主要包含有一個輸入緩沖器、一個增益級和一個輸出緩沖器。擁有較少的增益級意味著經過開環電路的延遲會較少,從而在相同的功耗下能獲得較大的帶寬。

圖3. 基本的電流反饋(CFB)拓撲。
圖3中的基本電流反饋(CFB)拓撲是一個單級放大器。電路中的唯一高阻抗節點是在輸出緩沖器的輸入。VFB放大器通常需要兩個或以上的增益級才能獲得足夠的開環增益,這些附加的增益級不單會增加延遲,而且還會降低帶寬的穩定性。

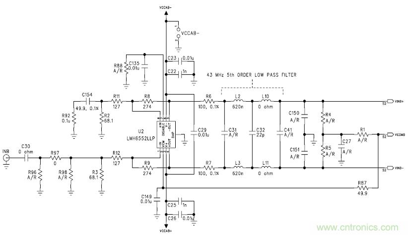
圖4. LMH6552電路和5階低通濾波器。
圖4說明了放大器的參考電路板配置。當中的輸入是50Ω和直流耦合。LMH6552被配置成單端到差分模式轉換,而ADC14DS105的VCOM輸出會用作放大器的共模輸入。每一個放大器都被配置成有6分貝的增益,因此最大的輸入信號電平為1Vp-p,并在放大器的輸出處產生出2Vp-p。這里建議放大器最好由一個雙電源軌來供電(+/- 5VDC)。在VCCAA- 和VCCAB-處設置跳線,電路板就可在單電源模式下工作,詳細信息可參考LMH6552數據表中有關LMH6552單電源工作的部分。要獲得最佳的失真性能(最佳SFDR),建議采用一個低噪聲信號發生器來驅動評估板的信號輸入,而信號發生器的輸出應該經過帶通濾波以抑制由信號發生器引入的諧波失真,以及容許進行精確的噪聲和失真性能測量。然而,跟隨在LMH6552之后的43MHz的5階低通濾波器可過濾信號發生器的寬帶噪聲,從而進一步改善ADC的噪聲性能。濾波器輸出會被模/數轉換器采樣。
ADC14DS105是世上第一款帶有串行化LVDS輸出的14位高速、1GHz FPBW的雙路模/數轉換器,它采用串行化LVDS輸出大幅地減少了需要跨過電路板或在電路板之間的導線數量,因此大大地簡化電路板的布局。
用來替模擬輸入采樣的ADC時鐘信號是由一個經LMK02000精密時鐘調整器控制的VCOX所產生。該LMK02000為用戶提供一個設有時鐘分配區的超低噪聲鎖相環路(PLL),它可提供5個LVPECL輸出和3個LVDS輸出(全為差分)。
每一條在LMK02000上的時鐘輸出通道均包含有一個分頻器模塊和延遲調整時鐘。LMK02000一般都會跟一個低抖動的VCOX連接在一起。在這種情況下,一個Crystek 型號的CVHD-950X-100.0可提供一個單端CMOS時鐘信號來驅動ADC的時鐘輸入。LMK02000 的鎖相環路可把這個VCOX鎖定到一個25MHz的參考振蕩器(Connor-Winfield 型號CWX823),而LMK02000的鎖相環路計數器、相位檢測器和電荷泵是采用PIC微控制器電路板來編程的,詳情請參看用戶指南。
LMK02000的RMS信號抖動僅為128fs(輸入的時鐘范圍由100Hz到20MHz)。圖5表示出時鐘的相位噪聲性能,該性能值是在LMK02000的CLKout4情況下測量出的。從VCOX產生出來的單端時鐘信號會供給ADC14DS105的CLK輸入。

圖5. LMK02000的相位噪聲性能。
LMK02000精密時鐘調整器將多種功能結合在一起,包括抖動清除/重新調整、倍頻和參考時鐘分配。該器件集成了一個高性能的整數-N鎖相環路(PLL)、一個局部集成,環路濾波器、三個LVDS輸出和5個LVPECL時鐘輸出分配模塊。

圖6. 典型SFDR和SNR性能與輸入頻率的關系。
圖6所示為差分放大器、帶通濾波器和ADC的結合通道響應。請注意圖中最佳的動態性能和通道間的匹配性。
免責聲明:本文為轉載文章,轉載此文目的在于傳遞更多信息,版權歸原作者所有。本文所用視頻、圖片、文字如涉及作品版權問題,請電話或者郵箱聯系小編進行侵刪。



