【導讀】隨著服務器系統的增長,包含控制電路以用來監視服務器的輸入/輸出(I/O)卡數量和復雜程度也同比增長。零停機時間系統要求用戶將I/O卡插入帶電的背板。雖然許多IC供應商已經開發出能夠安全對電源和地線進行熱插拔(Hot SwapTM)的芯片,但是迄今為止,仍沒有一個能在I2CTM和SMBus系統中實現系統數據(SDA)和系統時鐘(SCL)線“熱插拔”的單片解決方案。
由于每個I/O卡的SDA和SCL電容直接加到這些系統的背板中,因此系統的擴展使得上升和下降時間指標難以滿足。LTC4300-1允許用戶在不破壞背板數據轉換的情況下把I/O卡插入帶電的背板上,它同時提供雙向的緩沖,并隔離背板和卡上的電容。
圖1給出了一個LTC4300- 1安全熱插拔SDA和SCL線的應用。LTC4300位于外圍設備卡的邊緣,ScLOUT管腳與卡的SCL總線相連,而SDAOUT管腳與卡的SDA總線相連。當卡通過長短針位連接器插入帶電背板時,地先連接上,然后才接上VCC。

圖1:采用LTC4300-1熱插拔SDA和SCL線
VCC和地連接后, SDAIN和SCLIN與背板的SDA和SCL線連接。此時,電壓為1V的預充電電路工作,并強迫IV電壓通過100k標稱電阻至低電容(小于10pF)SDA和SCL管腳,使得連接時所看到的最壞電壓差最小化。預充電和低電容特性使背板SDA和SCL總線在熱插拔期間干擾最小。
在卡插入期間,SDA背板總線和LTC4300-1 SDAIN管腳上的電壓如圖2所示。接地的1 00pF電容器盡力趕上相當于SDA總線的電容。在剛插入前,LTC4300-1的SDAIN管腳被預充電到1V,而SDA總線背板電壓接近4V。由于SDAIN管腳的高阻抗和低電容,該管腳上的電壓在插入時上升到背板電壓,因此背板電壓幾乎沒有受到影響,這時兩個信號短接在一起。

圖2:LTC4300-1的SDAIN管腳連接背板SDA總線
一旦總線沒有與卡連接的背板有停止位或總線空閑出現,LTC4300-1使預充電電路停止工作,激活輸入至輸出連接電路,使背板SDA和SCL總線與卡上的電路相連。
容量緩沖與上升時間加速器特性
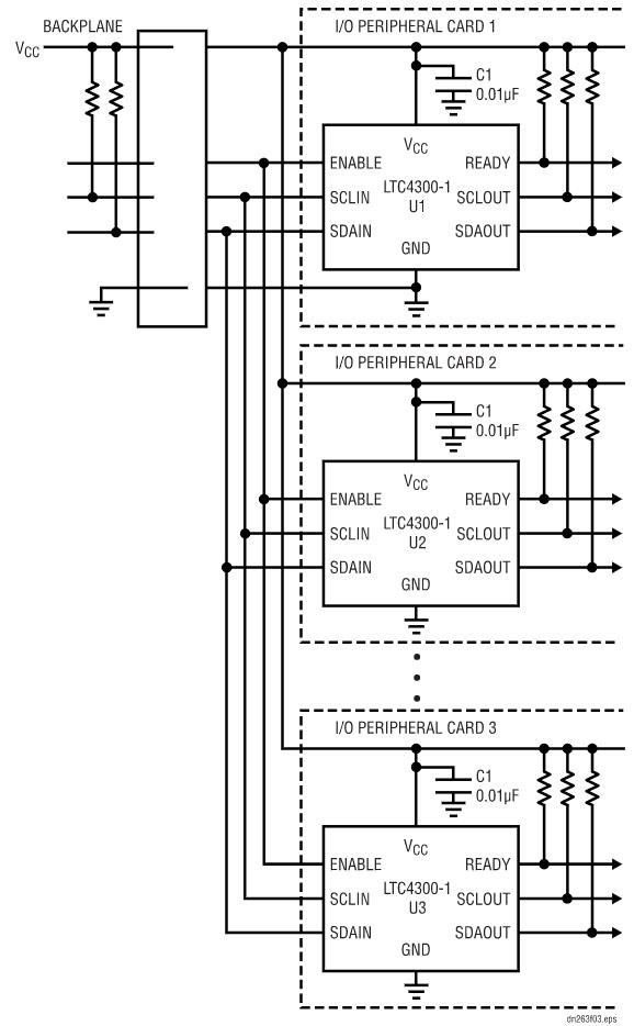
輸入至輸出連接電路的關鍵特性是提供雙向緩沖,圖3是利用該特性的一個應用。如果1/O卡直接連接到背板上,所有背板和卡上的電容將直接相加,難以滿足上升和下降時間要求。將LTC4300-1置于每個卡的邊緣,但從背板隔離卡電容。對于給定的1/0卡,LTC4300-1驅動卡上電容,背板必須只驅動LTC4300-1的低電容。LTC4300-1通過提供位于所有四個SDA和SCL管腳的上升時間加速器電路,進一步滿足系統上升時間要求。圖4示出了加速器為10pF和100pF等同總線電容提供的改善上升時間。

圖3:多個I/O卡插到一塊背板中

圖4:在10pF和100pF上拉電容的上升時間加速器
結論
LTC4300-1允許用戶不在破壞雙總線系統的背板SDA和SCL信號情況下,將I/O卡插入帶電的背板中。另外,連接電路提供雙向緩沖,隔離背板與卡電容上升時間加速器電路加以提供幫助從而滿足上升時間要求。
(來源:亞德諾半導體)
免責聲明:本文為轉載文章,轉載此文目的在于傳遞更多信息,版權歸原作者所有。本文所用視頻、圖片、文字如涉及作品版權問題,請電話或者郵箱editor@52solution.com聯系小編進行侵刪。
推薦閱讀:





