【導讀】電路中變壓器T可用晶體管收音機用的502型音頻輸出變壓器,次級作為升壓變壓器的初級,初級中間的抽頭不用,兩端抽頭作為升壓變壓器的次級。如果找不到合適的變壓器,也可以用收音機輸人輸出變壓器的硅鋼片自制,初級用直徑為0.25mm的高強度漆包線繞110匝,次級用直徑0.21mm的高強度漆包線繞520匝。初次級間要加一層絕緣紙,并注意初次級線圈的同名端。
一、直流升壓電路
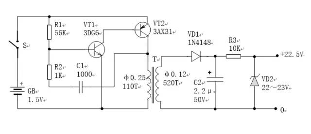
如圖所示是一種輸出電壓可達22.5 V的直流升壓器電路,可用來代替22.5 V的疊層電池。
它利用萬用表中的一節1.5V電池供電,工作電流為25mA,輸出電流約為0.5mA,用于萬用表的高阻擋足夠富裕。電路中VT1與VT2組成互補多諧振蕩器,它的振蕩頻率約為2kHz。T是升壓變壓器,初級就是互補多諧振蕩器的負載,次級為升壓繞組,輸出一個較高的脈沖電壓。該電壓經過二極管VD1和電容C2整流濾波后成為直流高壓,再經過電阻R3與穩壓管VD2穩壓后可輸出一個較穩定的高電壓。
電路中變壓器T可用晶體管收音機用的502型音頻輸出變壓器,次級作為升壓變壓器的初級,初級中間的抽頭不用,兩端抽頭作為升壓變壓器的次級。如果找不到合適的變壓器,也可以用收音機輸人輸出變壓器的硅鋼片自制,初級用直徑為0.25mm的高強度漆包線繞110匝,次級用直徑0.21mm的高強度漆包線繞520匝。初次級間要加一層絕緣紙,并注意初次級線圈的同名端。

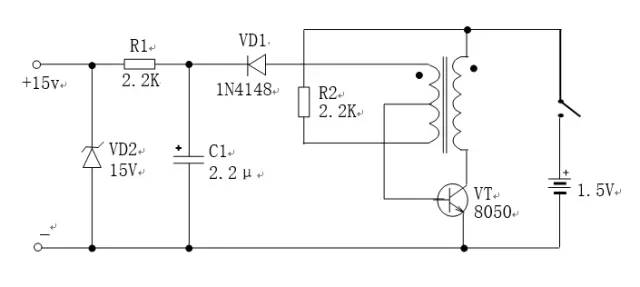
二、小型直流升壓器
如圖所示是一種構造很簡單的小型直流升壓器,可用來取代15V的疊層電池。電路的核心元件一變壓器T使用的是袖珍驗鈔器的專用變壓器。電路耗電約40mA,輸出電壓為15V。如果萬用表15V電池的正極與1.5V電池的負極相接,只需將圖7—70中VD1(C1、VDZ的極性調過來,這樣將輸出一個-15V電壓)

三、穩壓型直流升壓電路
如圖所示是一種穩壓型直流升壓電路。該電路可將一節1.5V的電池升壓至9V,用來取代9V疊層電池使用。電路空載輸人電流低于1.2mA,轉換效率高達60%。該電路由振蕩電路和穩壓電路構成,其中VT1、VT2、C2組成振蕩器,色碼電感L為儲能電感,VD2為整流二極管,C3為輸出濾波電容,VT3、VD1、VD3及R2為穩定輸出電壓的穩壓電路。輸出電壓約等于VD3的穩壓值。

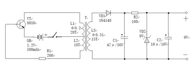
四、逆變電源電路(一)
如圖所示是一種利用1.2V、500mAh的鎳鎘電池做電源的逆變電源電路,輸出直流電壓為9V,可供數字式萬用表使用。下圖中變壓器T利用15mm的磁環穿繞而成(元器件參數圖中均已標注人名為數字萬用表的電源開關。

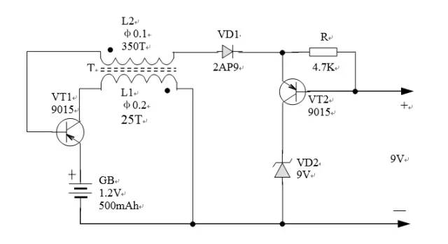
五、逆變電源電路(二)
如圖所示是自控式數字表逆變電源電路。它不需要單獨設立電源開關或對表內開關進行改造。該電路具有耗電省、穩定可靠、不影響儀表精度等特點。電路中的變壓器T是用E3型鐵氧體磁芯、各折去一角后加工成口字形,L2在內,L1在外。整個逆變電源工作時,電池工作電流約為70mA。

六、簡易仿制電路
下圖為仿制電路:輸入可低至0.8V,輸出電流可達10mA
輸出開路,輸入電流為零。
T:E3日字型磁芯L1=18匝=125μH L2=180匝=12mH

免責聲明:本文為轉載文章,轉載此文目的在于傳遞更多信息,版權歸原作者所有。本文所用視頻、圖片、文字如涉及作品版權問題,請聯系小編進行處理。
推薦閱讀:



