【導讀】在給嵌入式系統設計電源電路,或選用成品電源模塊時,要考慮的重要問題之一就是用隔離還是非隔離的電源方案。在進行討論之前,我們先了解下隔離與非隔離的概念,及兩者的主要特點。
在給嵌入式系統設計電源電路,或選用成品電源模塊時,要考慮的重要問題之一就是用隔離還是非隔離的電源方案。在進行討論之前,我們先了解下隔離與非隔離的概念,及兩者的主要特點。
一、電源隔離與非隔離的概念
電源的隔離與非隔離,主要是針對開關電源而言,業內比較通用的看法是:
1、隔離電源:電源的輸入回路和輸出回路之間沒有直接的電氣連接,輸入和輸出之間是絕緣的高阻態,沒有電流回路。
2、非隔離電源:輸入和輸出之間有直接的電流回路,例如,輸入和輸出之間是共地的。
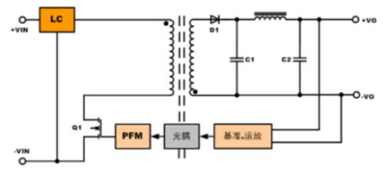
隔離電源示意圖如圖所示。

二、隔離電源與非隔離電源的優缺點
由上述概念可知,對于常用的電源拓撲而言,非隔離電源主要有:Buck、Boost、Buck-Boost等;而隔離電源主要有各種帶隔離變壓器的反激、正激、半橋、LLC等拓撲。
結合常用的隔離與非隔離電源,我們從直觀上就可得出它們的一些優缺點,兩者的優缺點幾乎是相反的。
使用隔離或非隔離的電源,需了解實際項目對電源的需求是怎樣的,但在此之前,可了解下隔離和非隔離電源的主要差別:
1、隔離模塊的可靠性高,但成本高,效率差點。
2、非隔離模塊的結構很簡單,成本低,效率高,安全性能差。
因此,在如下幾個場合,建議用隔離電源:
1、涉及可能觸電的場合,如從電網取電,轉成低壓直流的場合,需用隔離的AC-DC電源;
2、串行通信總線通過RS-232、RS-485和控制器局域網(CAN)等物理網絡傳送數據,這些相互連接的系統每個都配備有自己的電源,而且各系統之間往往間隔較遠,因此,我們通常需要隔離電源進行電氣隔離來確保系統的物理安全,且通過隔離切斷接地回路,來保護系統免受瞬態高電壓沖擊,同時減少信號失真;
3、對外的I/O端口,為保證系統的可靠運行,也建議對I/O端口做電源隔離。


三、隔離與非隔離電源的應用場合
通過了解隔離與非隔離電源的優缺點可知,它們各有優勢,對于一些常用的嵌入式供電選擇,我們已可做成準確的判斷:
1、 系統前級的電源,為提高抗干擾性能,保證可靠性,一般用隔離電源。
2、 電路板內的IC或部分電路供電,從性價比和體積出發,優先選用非隔離的方案。
3、 對安全有要求的場合,如需接市電的AC-DC,或醫療用的電源,為保證人身的安全,必須用隔離電源,有些場合還必須用加強隔離的電源。
4、 對于遠程工業通信的供電,為有效降低地電勢差和導線耦合干擾的影響,一般用隔離電源為每個通信節點單獨供電。
5、 對于采用電池供電,對續航力要求嚴苛的場合,采用非隔離供電。
四、抗電強度
電源的隔離耐壓在GB-4943國標中又叫抗電強度,這個GB-4943標準就是我們常說的信息類設備的安全標準,就是為了防止人員受到物理和電氣傷害的國家標準,其中包括避免人受到電擊傷害、物理傷害、爆炸等傷害。如下圖為隔離電源結構圖。

隔離電源結構圖
作為模塊電源的重要指標,標準中也規定了隔離耐壓相關測試方法,簡單的測試時一般采用等電位連接測試,連接示意圖如下:

隔離耐壓測試示意圖
測試方法:
將耐壓計的電壓設為規定的耐壓值,電流設為規定的漏電流值,時間設為規定的測試時間值;
操作耐壓計開始測試,開始加壓,在規定的測試時間內,模塊應無擊穿,無飛弧現象。
注意在測試時焊接電源模塊要選取合適的溫度,避免反復焊接,損壞電源模塊。
五、那么隔離電源與非隔離電源比較有什么的優缺點呢?
隔離電源與非隔離電源優缺點

通過了解隔離與非隔離電源的優缺點可知,它們各有優勢,對于一些常用的嵌入式供電選擇,我們可遵循以下判斷條件:
對安全有要求的場合,如需接市電的AC-DC,或醫療用的電源,為保證人身的安全,必須用隔離電源,有些場合還必須用加強隔離的電源。
一般場合使用對模塊電源隔離電壓要求不是很高,但是更高的隔離電壓可以保證模塊電源具有更小的漏電流,更高的安全性和可靠性,并且EMC特性也更好一些,因此目前業界普遍的隔離電壓水平為1500VDC以上。
免責聲明:本文為轉載文章,轉載此文目的在于傳遞更多信息,版權歸原作者所有。本文所用視頻、圖片、文字如涉及作品版權問題,請聯系小編進行處理。
推薦閱讀:


