- 抗干擾濾波器特征
- 抗干擾濾波器的應用
- EMI濾波器中電感材料的選擇
該法令指出凡不符合歐洲和國際EMC標準規定的產品一律不得進入市場銷售,違者重罰,同時把EMC認證和電氣安全認證作為一些產品認證的首要條件。此舉引起世界電子市場巨大的震動,EMC成為影響國際貿易一個重要的指標。為了與國際接軌,我國也相繼制定了有關EMC法規。為此我國多次召開電磁兼容標準與論證會,建議自1997年1月1日起在市場上流通的電子設備必須制定、設計對無線電干擾的抑制措施,安置抑制元器件,使產生的電磁干擾不超過標準規定的電平。于2001年1月1日起凡進入市場產品必須有EMC標志。這是我國電子產品參與國際市場競爭的第一步。
抗干擾濾波器特征
抗干擾濾波器與通常的信號濾波器之間有著概念上的區別。信號濾波器是在阻抗匹配的條件下工作,即通過濾波器要保持輸入與輸出信號振幅不變為前提,將其中部分頻域作預期的處理和變換。而EMI濾波器用于抑制進入設備與出自設備的電磁干擾,具有雙向抑制性。因此這就要求EMI濾波器的端口處與設備產生最大失配。這樣才能使濾波器對電磁干擾的衰減等于自身網絡的衰減再加上輸入和輸出端口所產生的反射,必須遵循如下規律,見表1。其中Rs為電網輸入阻抗,隨著電量大小而變化;RL是EMI濾波器的輸出阻抗,隨負載大小而變。

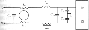
從電學角度來說只有阻抗不匹配的條件下才能在濾波器內產生最大的吸收(或損耗),用EMC俗語稱之為“濾波器插入損耗”。EMI濾波器主要是消除或降低傳導干擾。實際上傳導干擾又分為共模干擾和差模干擾,所謂共模干擾是指相線與地線之間干擾信號的相位相同、電位相等,而差模干擾是相線間干擾信號相位差180°(電位相等)。因此濾波電路也分為抗共模和抗差模干擾電路,參見圖1。

圖中LC1LC2,Cy1Cy2構成共模濾波電路,LC1LC2為共模濾波電感,而Ld1Ld2Cx1Cx2構成差模電路。共模電感Lc一般數值0.3mH~38mH,共模電容Cy,只要控制在漏電電流于<1mA條件下,選擇較大數值為準。而差模電感Ld一般在幾十至幾百微亨,其電容應選耐壓大于1.4kV的陶瓷或聚酯電容。Ld1Ld2差模電感、電容值越大,低頻效果越好。市場上購買的EMI濾波器大都是對共模干擾設計的,對差模抑制效果很差。實際上開關電源中共模與差模干擾同時存在,特別對于有源功率因數校正電路中差模干擾的強度很大。
對于開關電源,EMI濾波器對高頻的EMI信號抑制比低頻的EMI傳導消除容易得多。常常利用共模電感的差值形成的差模電感就能消除300kHz~30MHz傳導干擾電平。設計和選用濾波器一定要根據電路的實際需要而定。首先測出傳導干擾電平與所規定的EMC標準極限比較,一般0.01MHz~0.1MHz是差模干擾起主導作用,0.1MHz~1MHz是差模與共模干擾聯合作用,而1MHz~30MHz主要是共模干擾起作用。根據實驗結果來判斷和選擇對超標信號有抑制作用的濾波器或器件。當然實際操作相當復雜,要有相當高的技術水平和經驗。
[page]
EMI濾波器中電感材料的選擇
降低電子設備的電磁干擾已成為電子產品是否有市場的關鍵問題。而軟磁材料已成為EMI濾波器中不可少的元件,并起著舉足輕重的作用。現在用軟磁材料制成的各種抑制EMI元器件廣泛地應用于各種電子電路和設備之中。這是因為軟磁材料具有它獨特的性能,致使其在抗電磁干擾領域發揮主要作用。然而,電子產品生產廠家希望能得到通用EMI濾波器對所有的電子設備都能把干擾降低到標準以下,這是不現實的。EMI濾波器的設計要根據該電子設備的EMC標準,即需要衰減EMI信號的頻段范圍和超標電平高低來選擇,特別是其中的軟磁材料。
因為軟磁材料種類繁多,各有自己的電磁特征。除了基本磁參數如Bsμi損耗外,還要利用它們的電特性、電阻率、頻寬、阻抗等。根據所需衰減干擾信號范圍,確定對應的濾波電路,然后再精心挑選適合于該頻段的磁性材料,濾波電感才能達到最經濟和最佳效果。想用一種材料滿足各種抗干擾濾波器是不能達到預期效果的,必需選用適合該頻段的磁性材料。從材料的觀點看,EMI濾波器的作用是阻隔不需要的信號并以發熱的形式消耗掉,而讓需要的信號無衰減或幾乎不衰減地通過。值得指出的是以發熱形式所消耗掉的能量并不是指線圈在電流作用下的焦耳熱(即I2R)。故在繞制線圈時一定要選用足夠大線徑的銅線,盡量減少這種能量的損耗。從電學觀點可把濾波器中帶有磁性材料的電感在頻率較低時等效為純電感L和純電阻R的串聯,其阻抗Z=R+jωL。對于平均直徑為D的圓環,根據安培定律和電磁感應定律可得到:
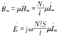
e=N1S•dB/dt
H=N1I/l
式中N1,I——為環形磁芯上激磁線圈匝數和電流;S——磁芯截面積;l——平均磁路長度(πD)。
用相量表示為:

式中μ=μ′-jμ″
磁芯在低頻時可等效為:Z=R+jωL=E/Im
代入上式

于是可以得到:

通過上式把磁學參數與電學參數直接聯系起來。它表示磁性材料的磁性參數在電路中充當的角色。式(1)表述電路中的電感直接與磁材料的彈性磁導率μ′有關,表示器件的儲能大小與頻率無關的純電感性。而電路中電阻R與磁性材料復數磁導率的虛數部分μ″有關。式(2)則既與材料的渦流損耗、磁滯損耗及剩余損耗等有關,并且與頻率也有關。反映在電學上就相當于等效電阻R。
最后都轉變成器件的熱能散發到空間,而EMI濾波器中的電感能夠濾去干擾信號就是利用了磁性材料的這一特征。從另一個角度看,EMI濾波電感發熱是正常的,只要不影響電路的正常工作就行了。圖2是濾波器電感在串聯等效電路中R與頻率關系曲線。相當于電感的插入損耗曲線。在低頻段即f〈f1時,電感在電路中阻抗R小得可以不計,電流風乎無損耗的流過。在此階段電感磁世間本身耗能很少,主要是線圈發熱為主(I2R)。
只有大電流工作環境下才考慮這一部分能量轉換的熱量。如在大功率晶閘管調光燈電路中的抗干擾電感,因為電流高達20A~50A,甚至更高,即使線繞電阻很小,但能量與電流的平方成正比,所以線圈的發熱量很大。這時只有增加銅線的線徑(單股或多股),才可使線圈溫度大幅度下降。當頻率在f1~fc頻段時,由陰抗曲線可以看出等效電阻R隨頻率提高而逐漸增大。這說明電路電感儲能的功能隨頻率的升高而降低,損耗隨頻率而增加。在fc點附近等效電阻R迅速增加,從磁學的觀點看,磁性材料吸收了電路中的高頻能量轉變成材料內部損耗,如磁疇壁的運動及其引起的微渦流效應等微觀損耗。在fc點附近不再具有貯能作用。而fc的高低與磁性材料性能有關。
一般來說鐵氧體材料fc高,金屬磁性材料fc;較低。但對同一種材料可改變制作工藝材料的成分,人為地調節fc的高低。當頻率超過fc以后阻抗開始下降,而到f2時雙出現小的峰值,這是在高頻下寄生電容Cw引起的諧振吸收。這個峰值的頻率高低與電感分布參數有關,與材料的性能關系不大。實際上EMI濾波電感的抗干擾作用就是利用磁性材料這個特征。




