- 半橋拓撲結構高端MOSFET驅動方案選擇
- 變壓器驅動和硅芯片驅動比較
- 采用NCP5181驅動器IC來驅動器LLC轉換器的MOSFET
- 簡化布線及簡化設計
在節能環保意識的鞭策及世界各地最新能效規范的推動下,提高能效已經成為業界共識。與反激、正激、雙開關反激、雙開關正激和全橋等硬開關技術相比,雙電感加單電容(LLC)、有源鉗位反激、有源鉗位正激、非對稱半橋(AHB)及移相全橋等軟開關技術能提供更高的能效。因此,在注重高能效的應用中,軟開關技術越來越受設計人員青睞。
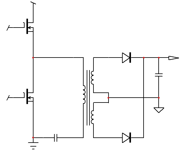
另一方面,半橋配置最適合提供高能效/高功率密度的中低功率應用。半橋配置涉及兩種基本類型的MOSFET驅動器,即高端(High-Side)驅動器和低端(Low-Side)驅動器。高端表示MOSFET的源極能夠在地與高壓輸入端之間浮動,而低端表示MOSFET的源極始終接地,參見圖1。當高端開關從關閉轉向導通時,MOSFET源極電壓從地電平上升至高壓輸入端電平,這表示施加在MOSFET門極的電壓也必須隨之浮動上升。這要求某種形式的隔離或浮動門驅動電路。與之不同,低端MOSFET的源極始終接地,故門驅動電壓也能夠接地參考,這使驅動低端MOSFET的門極更加簡單。

圖1:LLC半橋拓撲結構電路圖。
變壓器驅動方案
基于變壓器的高端MOSFET驅動方案在設計過程中涉及到一些重要的考慮因素。例如,由于是對地參考點浮動驅動,如果設計中存在400 V功率因數校正(PFC)電路,則要保持500 V隔離。此外,要將漏電感減至最小,否則輸出與輸入繞組之間的延遲可能會損壞功率MOSFET。要遵守法拉第定律,保持V*T乘積恒定,否則會飽和。要保持足夠裕量,防止飽和,尤其是在交流高壓輸入和瞬態負載的情況下。要使用高磁導率鐵芯,從而將勵磁電流(IM)降至最低。要保持高灌電流(sink current)能力,使開關速度加快。
基于變壓器的驅動方案包含兩種主要類型,分別是單驅動(DRV)輸入和雙驅動輸入,參見圖2a及圖2b。單驅動輸入方案中,需要增加交流耦合電容(CC)來復位驅動變壓器的磁通。這種方案中的門極-源極電壓(VGS)幅度取決于占空比;另外,穩態時-VC關閉,而在啟動時灌電流能力受限。這種方案需要快速的時間常數(LM//RGS * CC),防止由快速瞬態事件導致的磁通走漏(flux walking)。 另外,在設計過程中,也需要留意跳周期模式或欠壓鎖定(UVLO)時耦合電容與驅動變壓器之間的振鈴,需要使用二極管來抑制振鈴。
單驅動輸入包括帶直流恢復的單驅動輸入及帶PNP關閉的單驅動輸入。其中,帶直流恢復的單驅動輸入在穩態時VGS取決于占空比,但灌電流能力有限;后者則采用PNP晶體管+二極管的組合來幫助改善關閉(switching off)操作。此外,對單驅動輸入而言,還不能忽略與門。如果與門驅動能力有限,要增加圖騰柱(totem-pole)驅動器。
[page]
圖2b顯示的是雙極性對稱驅動輸入方案的電路圖。在這種方案中,兩個輸入(DRVA和DRVB)的極性相反,位置對稱,故不同于單驅動輸入方案,無需交流耦合電容。這種方案適合推挽型電路,如LLC-HB,但不適合非對稱電路,如非對稱半橋或有源鉗位。這種方案需要注意線路/負載瞬態時的驅動變壓器磁通,仍然需要強大的關閉能力。需要注意由泄漏電感導致的延遲,將泄漏電感減至最小,并使用雙輸出繞組而非單輸出繞組。這種方案的另一項不足是關閉電阻(Roff)壓降會導致額外的功率損耗。

圖2:單驅動輸入(a)與雙驅動輸入(b)變壓器驅動方案電路對比。
綜合來看,變壓器驅動方案有多項優勢,一是變壓器比裸片更強固,二是對雜散噪聲及高dV/dt脈沖較不敏感,當然,成本也可能更便宜。但其劣勢是電路復雜,需要注意極端線路/負載條件及關閉模式,且需注意泄漏電感及隔離,還要留意汲電流能力是否夠強。
硅芯片驅動方案
與變壓器驅動方案類似,硅集成電路驅動方案也包含單驅動輸入和雙驅動輸入這兩種類型,分別見圖3a及圖3b。不過,這些硅半橋驅動器既能用作高端MOSFET驅動器,也能用作低端MOSFET驅動器。硅芯片高端MOSFET驅動方案采用緊湊、高性能的封裝,在單顆芯片中集成了驅動高端MOSFET所需的大多數功能,增加少數幾個外部元件后就能提供快速的開關速度,提供閂鎖關閉功能,輸入指令與門驅動輸出之間的延遲極低,功率耗散也較低。

圖3:硅芯片驅動方案電路圖:a雙輸入;b單輸入。
安森美半導體在-40℃至+125℃的完整溫度范圍內定義驅動IC的電氣參數,相關的高端MOSFET硅驅動器(參見表1)具有強固的負電壓特性。相比較而言,很多競爭對手僅在+25℃的環境工作溫度下定義電氣參數,并不總提供溫度特征描繪,而且很多競爭對手從特征曲線中析取的電氣參數值很可能未顧及工藝變化問題。

表1:安森美半導體用于高端MOSFET驅動的硅驅動器相互參照。
方案比較及安森美半導體建議
我們以采用變壓器驅動方案和硅驅動器方案的24 V@10 A LLC半橋電路為例來比較這兩種方案。這兩種方案都采用帶雙DRV輸出的LLC控制器NCP1395,不同的是,前者采用變壓器驅動LLC轉換器的MOSFET,后者采用NCP5181驅動器IC來驅動器LLC轉換器的MOSFET。兩者的波形看上去類似,但比較高端MOSFET關閉時的波形可以發現,驅動器IC更快速地關閉MOSFET,而且驅動IC關閉MOSFET時快70 ns,從而降低開關損耗;而在高端MOSFET導通時,驅動器IC在高端與低端MOSFET之間能夠保持安全及足夠的死區時間,優于變壓器驅動方案。而從能效來看,在相同的輸入功率時,兩種方案的能效沒有顯著區別。
對于這兩種方案而言,究竟應該選擇哪種方案呢?實際上,如果精心設計的話,這兩種方案都可以。安森美半導體身為應用于綠色電子產品的首要高性能、高能效硅方案供應商,我們的建議是選擇硅芯片驅動方案,因為硅方案可以簡化布線及簡化設計,免去變壓器需要手動插入的問題,及可免除變壓器方案中諸如隔離被破壞、磁通走散、關閉后出來未預料到的振鈴等問題。而且要支持纖薄設計的話, 扁平電源中變壓器的高度是個問題,而硅芯片驅動方案則無此問題。
總結:
對于需要高能效的應用而言,采用軟開關技術的半橋拓撲結構越來越受設計人員青睞。但要驅動半橋拓撲結構中的高端MOSFET,設計人員面臨著是選擇變壓器或是硅芯片等不同驅動方案的選擇。本文分析了不同驅動方案的設計考慮因素、相關問題及解決之道,并從多個角度對比了這兩種驅動方案。盡管精心設計的話,這兩種驅動方案都可以良好工作,但安森美半導體建議選擇諸如NCP5181這樣的硅芯片驅動方案,在簡化布線及設計的同時,也可避免變壓器驅動方案的諸多問題,幫助設計人員縮短設計周期,加快產品上市進程。




