【導讀】本文為大家介紹的是51單片機LED系統電路設計方案,主要為大家解讀該系統,主要包含了系統硬件原理圖,光耦傳感器模塊的設計,顯示模塊的設計等等,想學習的人不同錯過。
LED 旋轉顯示器時基于視覺暫留原理,開發的一種旋轉式LED 顯示屏。其在具有一定轉速地載體上安裝16 個LED 發光器件,各LED 發光管等間距排位一條直線,隨著旋轉速度的加快,在計算機軟件精確的時序控制下,不斷掃描出預設的文字,圖案等。使用一個光耦(U 型槽的紅外對管)作為定位傳感器,當旋轉一周時,擋光板遮擋光源,光敏三極管的集電極輸出高電平,當離開擋光板時,集電極再次輸出低電平,從而給單片機一個下降沿的跳變型號,產生一個中斷,從而更新顯示。供電部分,因為整個裝置是在不停的高速旋轉當中,所以我們做了一個簡單的電刷裝置,把220V 的交流電通過變壓器變成12V 的交流電,再由橋式整流電路,和濾波電路,變為平滑的直流電,最后通過7805 芯片輸出我們需要的5V 直流電源,通過電刷把電源和指針板上的單片機連接為其供電。而旋轉載體因為需要12V 的電壓源,所以采用分別供電的方式。
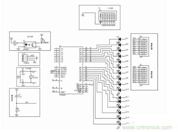
系統硬件原理圖
系統硬件原理如下圖所示

光耦傳感器模塊的設計

對射式U 型槽光耦具有,響應速度快,驅動簡單,安裝容易,容易于單片機通信等特點。如圖所示,當上電之后,光耦的光敏三極管的集電極時輸出低電平,當有物體擋住了光敏三極管感應的紅外光線時,光敏三極管的集電極和發射極處于高阻態,所以集電極輸出高電平,當光敏三極管再次感應到紅外光源的時候,集電極再次輸出低電平,從而給單片機一個中斷信號。
顯示模塊的設計

LED 顯示器具有功耗低,接口控制方便等優點,而且模塊的接口信號和操作指令具有廣泛的兼容性,并能直接與單片機接口,可方便地實現各種不同的操作,在各類測量及控制儀表中被廣泛的應用。當在LED 上顯示漢字時,應先取得漢字的點陣構成數據,然后將其寫入顯示存儲器中進行顯示。旋轉LED 顯示器是一種通過同步控制發光二極位置和點亮狀態來實現圖文顯示的新型顯示器,其結構新穎,成本低廉,可視角度達360°。



