- 電源模塊的選用方法
- 博大電源模塊串聯應用方式
- 博大電源模塊并聯應用方式
- 博大電源模塊備援應用
電源系統的設計對于電子設計人員來說是極大的挑戰,他們要利用有限的資源與空間,在最短時間內設計出靈活、高效、可靠且具有競爭力的電源系統。而電源模塊是目前設計人員的最佳選擇,以模塊式電源取代分立式組件的設計方案,好比使用微處理器來替代集成電路,它可以更靈活、更快捷地完成系統設計及開發,縮短產品開發或更改設計所花費的時間,節省人力及技術投資。
系統電源設計是應用系統設計中的一項極重要的工作,它對整個系統是否能正常工作起著至關重要的作用。因此,在開發一個系統時,如果最后才設計電源的話,往往很容易導致成本增加及可靠度下降,一開始就將電源在系統中進行整體設計,就能節省開支、縮短開發時程并提高產品的可靠度。在此,國內最大的電源模塊產品代理商深圳中電華星電子技術有限公司特請博大模塊電源專業工程師向大家分享模塊電源選用及串并聯應用。
電源模塊選用方法
電源模塊的選用,首先必須確定電源規格,主要為電源功率、電源輸出電壓、輸出端口數及電源尺寸。而在設計系統時,則盡可能選用市場上通用的電源模塊,例如博大電源就擁有多達千款的標準模塊,其中多款可與其他品牌模塊電源接口通用。如此可縮短設計及開發時程、降低成本并提高產品可靠度。因此,在系統設計時,可將電源模塊搭配不同的組合方式來達到提高輸出電壓、輸出電流或備份應用,有效的減少系統電源的種類,提高電源模塊的共享性及可靠度。
博大電源模塊串聯應用
在實際應用中,由于板載面積、成本要求、特殊應用等需求,電源模塊產品常常需要串聯工作以獲得較高的輸出電壓,其組合應用方式分述如下。
1. 雙路輸出電源模塊:

圖2-1
圖2-1為一般常見的串聯工作應用,為了獲得較高的電壓輸出,可將兩個電源模塊的輸出串聯起來,然后直接與負載連接,可得到兩組輸出相加之后的輸出電壓(Vo1 + Vo2)。
博大電源工程師一般會建議用戶在各組輸出并上二極管,用來防止兩組輸出因啟動時間差,在輸出端產生不正常的電流路徑所造成的不良影響,串聯后的輸出電壓,可再加上輸出電容,用以降低因兩電源模塊差頻所造成的Ripple & Noise。
2. 雙路輸出電源模塊:

圖2-2
圖2-2為兩個雙路輸出電源模塊串聯接線方式,因此,可得到四組Vout相加后的輸出電壓。單一個雙路輸出電源模塊,其兩組輸出之啟動時間是一致的,故僅需在+/-Vo1及+/-Vo2各并上二極管即可,如圖左所示。在上圖中,輸出端共并上4顆二極管,此方式亦可行,但較浪費成本。串聯后的輸出電壓,可再加上輸出電容,用以降低因兩電源模塊差頻所造成的Ripple & Noise。
二極管的選用,應選擇正向導通壓降低的二極管,如蕭特基二極管,且其反向耐壓應大于對應的電源輸出電壓,順向電流額定值應大于串聯負載電流。
[page]
博大電源模塊并聯應用
在實際應用各種,博大電源模塊可透過兩組或多組并聯,來達到多倍的輸出功率,供系統使用。一般的電源模塊大多為固定電壓輸出,除非電源模塊本身具有可并聯操作功能,否則不應該并聯使用。主要的考慮點在于兩個電源模塊的輸出電壓調整不可能完全相等,那么輸出電壓較高的模塊將會提供全部的負載電流。其次,即使兩個電源模塊的輸出電壓調整為完全相等,也會由于兩者不同的輸出阻抗及其隨時間和溫度不同產生的變化,將會造成兩個電源模塊的負載電流不平衡,因此,與串聯應用相比,電源模塊輸出的并聯就相對困難許多。下面就博大電源模塊工程師就幾個常見的電源模塊并聯應用方式說明如下。
1. Drop Resistor:

圖3-1
在兩組電源模塊的輸出端,分別串接Drop電阻,再并聯使用,如圖3-1所示。此種方式主要利用輸出電流對R1及R2形成的線性電壓降,使得兩組電源模塊會盡量達到平衡供應負載的目的,避免輸出電壓較高的電源模塊來提供大部份的負載需求。
依據中電華星的實際使用經驗,此種方式的成本較低,適合使用在精度要求不高的系統應用中。
2. Decoupling Diode:

圖3-2
圖3-2為使用Decoupling Diode方式的輸出并聯應用方式,其方式為在二組電源模塊的輸出端,分別串接上二極管,再并聯使用。
其原理與Drop Resistor相同,使用D1與D2取代電阻的作用,而使用二極管的好處,還可用來防止不同電源模塊之輸出電壓逆流到另一個電源模塊,這在某些電源架構上是需要的。
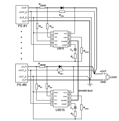
3. Current Share:

圖3-3
如圖3-3,為使用Current share專用IC進行并聯使用,在此種方式,每一個電源模塊本身需具備有Remote sense或Trim的功能,方可進行均流控制。此種方式的每一個電源模塊都可以均流輸出,對電源模塊的壽命有幫助,但成本相對較高,適合應用于有較高精確度要求的應用場合。
[page]
博大電源模塊備援應用舉例
利用博大電源模塊備援功能應用主要是將兩個相同的模塊輸出通過二極管后并聯連接,可使輸出能力倍增,同時提高了電源系統的可靠度。備援系統大多以N+1來表示,即以N個電源模塊提供系統所需的額定電源,另外至少再多1組電源模塊,做為備援用途,以防止電源模塊產生不良時造成系統無法持續運作,維持系統的正常運作。如果再搭配允許熱插拔的電源模塊及相應輸出的警報電路,將電源模塊放在可以拆卸的母線上,當故障出現時,可將電源模塊實時更換,電源系統將會擁有非常高的可靠性。
1. OR-ing Diode:

圖4-1
在兩組或多組電源模塊輸出回路中,各串接二極管后并聯連接,使得當單一模塊產生異常時,其它模塊可接續提供電源,維持系統工常運作。其中二極管應選擇低順向導通電壓降(Low Vf),以降低導通損失。
2. OR-ing FET:

圖4-2
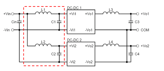
多組電源之EMI Decoupling
在一電源系統中,若同時使用多組電源模塊,且輸入端使用同一電源時,為防止二組或多組電源模塊之間的交互干擾,形成系統所不樂見的EMI問題,甚至造成系統誤動作的諧波,此時,可在電源系統前端與EMI filter之間加入L1、C1、L2與C2來減低電源模塊之間的交互干擾。

圖5-1





