中心議題:
- TDC-GP2的特性分析
- IGBT導通延遲時間測量的原理
- IGBT延遲導通時間測量系統設計
解決方案:
- IGBT延遲導通時間測量系統硬件及軟件設計
絕緣柵雙極型晶體管(IGBT)是GTR和MOSFET的一種新型復合器件,自問世以來就以輸入阻抗高,開關速度快,通態壓降低,阻斷電壓高,承受電流大等優點成為當今功率半導體器件中的主流開關器件,并廣泛應用于多領域的工程實踐當中。目前,IGBT的導通延遲時間可以達到幾百納秒,甚至更低。但在某些對器件時間特性要求較高的工程應用中,需要更精確地確定IGBT的導通延遲時間。因而高精度的測量時間間隔是測量領域一直關注的問題。本文從精簡結構,同時兼顧精度的角度出發,提出一種基于時間測量芯片TDC-GP2來精確測量IGBT導通延遲時間系統,用于測量IGBT的導通延遲時間,實現簡單且成本低的一種較為理想的測量方案。
1 TDC-GP2的特性分析
TDC-GP2是德國ACAM公司繼TDC-GP1之后新推出的一款高精度時間間隔測量芯片。與前代芯片相比,具有更高的精度、更小的封裝和更低的價格,更適合于低成本工業應用領域。TDC-GP2內部結構,如圖1所示。

該系統主要由脈沖產生器、數據處理單元、時間數字轉換器、溫度測量單元、時鐘控制單元、配置寄存器以及與單片機相接的SPI接口組成。在實際應用中,由于TDC-GP2的功耗很低,使得TDC-GP2的輸入/輸出電壓(工作電壓)為1.8~5.5 V,核心電壓為1.8~3.6 V,所以可以采用電池供電,使用方便。同時單片機由4線的SPI接口相連,可以把TDC-GP2作為單片機的一個外圍設備來操作。通過內部ALU單元計算出時間間隔,并將結果送入結果寄存器保存起來。通過對TDC-GP2內部寄存器的設置,可以多次采樣并將結果保存。TDC-GP2是基于內部的模擬電路測量“傳輸延時”來進行的,是以信號通過內部門電路的傳播延遲來進行高精度時間間隔測量的。TDC-GP2時間間隔測量原理如圖2所示。
[page]
START信號與STOP信號之間的時間間隔由非門的個數決定,而非門的傳輸時間可以由集成電路工藝精確的確定。同時,由于門電路的傳輸時間受溫度和電源電壓的影響比較大,因而該芯片內部設計了鎖相電路和標定電路。
在時間測量芯片TDC-GP2的測量范圍1中,兩個STOP通道共用一個START通道。每個通道的典型分辨率為50 ps,每個STOP通道都可以進行4次采樣。具有15 ns間隔脈沖對的分辨能力,測量范圍為2.0~1.8μs,每個通道都可以選擇上升沿或下降沿觸發。ENABLE引腳提供強大的停止信號產生的功能,可測量任意兩個信號之間的時間間隔。
2 IGBT導通延遲時間測量的原理
IGBT導通延遲時間的精確測量,是通過測量IG-BT的控制信號、驅動信號和導通電流信號間的時間間隔得到的,流程圖見圖3。通過信號處理隔離電路將控制信號、驅動信號和導通電流信號輸入時間測量芯片TDC-GP2。其中,IGBT的控制信號作為時間測量芯片TDC-GP2的START端口輸入,驅動信號和IGBT的導通電流信號作為STOP1和STOP2端的兩個脈沖輸入。由此可得START與STOP1端口的時間間隔為控制信號與驅動信號的延遲時間;START與STOP2端口的時間間隔為控制信號與IGBT導通信號的延遲時間,兩者的時間差即為IGBT相對于驅動信號的導通延遲時間。

3 IGBT延遲導通時間測量系統設計
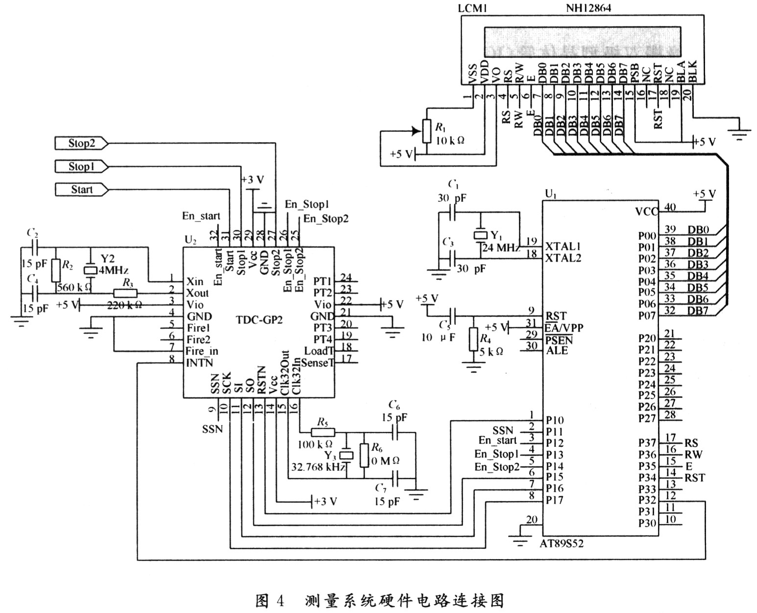
3.1 測量系統硬件設計
系統主要由脈沖信號取樣器、脈沖輸入信號整形電路、TDC-GP2測量電路、AT89S52單片機、液晶顯示電路、電源電路、時鐘電路組成。TDC-GP2的每個測量通道都提供一個使能引腳,可獨立地設置這兩個引腳進行通道選擇。TDC-GP2需要一個2~8 MHz的高速時鐘進行校準用。TDC-GP2只是在進行時間測量時才必須用振蕩器,且能夠自動控制振蕩器的開啟時間。整個系統的硬件電路連接如圖4所示。

整個系統分為單片機系統模塊、TDC-GP2測量模塊和顯示模塊三部分。TDC-GP2作為系統測量核心單元,可直接對信號時間間隔進行測量,并通過單片機處理后將時間間隔數值在液晶顯示器上顯示。與常用的測量方法相比,該方法所需外圍器件少,電路結構簡單,功耗低。
[page]
3.2 測量系統軟件設計
測量單元由START信號觸發,接收到STOP信號后停止。由環形振蕩器的位置和粗值計數器的計數值可以計算出START信號和STOP信號之間的時間間隔,測量范圍可達20位。在3.3 V和25℃時,GP2的最小分辨率是65 ps,RMS噪音約是50 ps(0.7 LSB)。溫度和電壓對門電路的傳播延遲時間有很大的影響,通常通過校準來補償由溫度和電壓變化引起的誤差。在校準過程中,TDC測量一個和兩個校準時鐘周期的時序如圖5所示,其測量范圍受計數器大小的限制:
tyy=BIN×26 224△1.8μs。

初始化之后,TDC-GP2高速測量單元接收到START脈沖后開始工作,達到設置的采樣數或者遇到測量溢出后才停止工作。軟件設計的重點在于根據需要設置TDC-GP2的工作模式和讀取其內部的測量數據。在測量結尾,ALU開始依照HIT1和HIT2的設置處理數據并把結果送入輸出寄存器。如果不進行校準,ALU傳輸16位原始數據到輸出寄存器;如果進行校準,則ALU傳輸32位的固定浮點數到輸出寄存器。然后通過單片機AT89S52處理后,在液晶顯示器讀取時間間隔數據,其測量流程如圖6所示。

4 結 語
該系統充分利用TDC-GP2的優良特性,通過其高精度時間間隔測量功能實現了。IGBT導通延遲時間間隔的測量。該系統測量范圍為2.0 ns~1.8 μs,其主要性能指標能滿足測量IGBT導通延遲時間的要求,具有一定的實用價值。由于IGBT導通的電流信號是納秒量級的高頻信號,因此在后續電路設計中,將進一步提高系統的抗干擾能力,以滿足測量導通延時時間間隔的需要。另外,單片機的工作頻率較低,為了進一步提高該系統的工作速度,甚至增加更多的附加功能,可以考慮用工作頻率更高的控制芯片作為系統的控制核心;同時也可以通過使用更高精度的時間間隔測量芯片來提高測量精度。






