- 電容式接近開關及其應用
- 利用電容式接近開關的感應靈敏度
- 選用優質器件
1 引 言
隨著我國經濟的快速發展,現代城市人口的增加、城市范圍的擴大,能源緊張問題越來越突出了。特別是水資源,它與工農業生產以及人民的生活息息相關,由于一些地區以前無計劃性地亂的開采,出現了缺水的現象。如何有效地管理和節約用水是當務之急。本文利用電容式接近開關和其它器件設計了一種控制水龍頭開與關的系統。本系統具有控制靈敏、使用方便、工作壽命長的特點。
2 電容式接近開關介紹
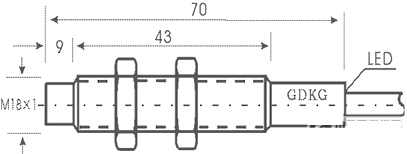
電容式接近開關屬于一種具有開關量輸出的位置傳感器,它的測量頭通常構成電容器的一個極板,而另一個極板是物體的本身,當物體移向接近開關時,物體和接近開關的介電常數ε發生變化,使得和測量頭相連的電路狀態也隨之發生變化,由此便可控制開關的接通和關斷。被這種接近開關的檢測物體,并不限于金屬導體,也可以是絕緣的液體或粉狀物體,在檢測較低介電常數ε的物體時,可以順時針調節多圈電位器(位于開關后部)來增加感應靈敏度,一般調節電位器使電容式的接近開關在0.7-0.8Sn(Sn為電容式接近開關的標準檢測距離)的位置動作。這里選用的是浙江省洞頭縣光電開關廠生產的CLG型M18×70標準結構的開關。它的外型圖與尺寸標示圖分別如圖1與圖2所示。

圖1 CLG型M18×70電容式接近開關外型圖

圖2 CLG型M18×70標準結構開關外部尺寸圖
操作參數如表1所示。

部分常用材料介電常數如表2所示。

系統組成框圖如圖3所示,從框圖可以看出控制信號的流程:當人或其它物體接近電容式接近開關時,等效電容的容量值會發生變化,從而改變LC振蕩器的振蕩頻率,F/V電路將LC振蕩器輸出的頻率量轉化成電壓量后,交給信號處理電路,該部分將電壓信號進行一系列的處理(包括:放大、整形等)后傳給開關量變換電路,開關量轉換電路實際上是A/D轉換器,它將模擬電壓轉換為數字量,水龍頭控制電路由開關量轉換電路的輸出量控制,它產生控制信號控制水龍頭的開與關。本系統設計成當人接近水龍頭一定距離時,水龍頭自動開啟,離開一定距離后水龍頭自動關閉。

圖3 控制系統組成框圖
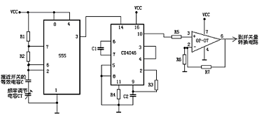
3.1部分關鍵電路介紹振蕩電路與F/V變換電路及信號處理部分
連線圖如圖4所示,由555定時器組成的振蕩器,它的振蕩頻率為:f=1/0.69*(R1+2*R2)*(C//CT),C就是電容式接近開關的等效電容值,CT為頻率調節電容,通過C的變化從而使振蕩頻率變化,將此種變化傳給F/V電路,引起F/V電路的輸出電壓變化。由鎖相環CD4046組成的F/V變換電路將頻率值變成電壓值后,經精密運放OP-07線性放大后輸入到開關量轉換器(A/D轉換器)的輸入端。

圖4 振蕩電路與F/V部分及信號處理電路連線圖
A/D轉換器將模擬信號轉換成數字信號后,輸入到水龍頭控制電路的輸入端,由水龍水控制電路控制水龍頭的開與關,這些電路簡單,這里限于篇幅,不作介紹。
3.2 系統安裝要求
安裝要求示意圖如圖5所示,圖中S1表示檢測面與支架的間距,要求≥1Sn,S2表示檢測面與背景的間距,要求≥3Sn,S3表示并列安裝間距,要求≥5Sn,S4表示檢測面與側壁的間距,要求≥3Sn。(Sn為電容式接近開關的標準檢測距離)

圖5系統安裝尺寸圖
4 結 束 語
由于本系統可利用電容式接近開關的感應靈敏度可以調節的特點,所以可以方便地選人控制水龍頭開與關的距離。它的實用性、可操作性很強。由于選用的都是優質器件,它的性能價格比高,并且具有通用性(只要改變被控制對象,再作必要的設置,就能變為其它的功能電路)。它己被做成了產品,正在批量生產。從目前使用的情況看,效果良好,性能穩定。當然,由于開發時間倉促,系統設計還有不少需要完善的地方。不管怎樣,它被推廣使用的價值很高。



