【導讀】本文介紹的高密度和可擴展的LTM4620微型模塊穩壓器,其卓越的電氣性能、低功率損耗和獨特的耐熱增強型封裝設計,可幫助克服高功率密度挑戰,實現準確和能在低電壓提供大的負載電流同時占用很少系統電路板空間的電源解決方案。
每一代高端處理器、FPGA和ASIC都因更重的負載而增加了電源的負擔,但是系統設計師很少為了符合這種功率增大的情況而額外分配寶貴的系統電路板空間。由于廣泛需要更多專用和安裝在電路板上的電源,以向多個電壓軌提供POL (負載點) 調節,所以這種對電源的擠壓就更嚴重了。個別電源軌必須越來越多地在低電壓(≤1V)下支持數10A至超過100A的電流,因而要求大約1%的初始準確度和出色的負載瞬態偏差(低于幾%)。因此挑戰是找到準確和能在低電壓提供大的負載電流同時占用很少系統電路板空間的電源解決方案。
當發現一款功能合適的穩壓器解決方案時,必須對其進行功率損失和熱阻評估。倘若這兩項參數不能滿足系統的散熱要求(特別是當系統必須在高環境溫度條件下運作時),就會導致一款原本不錯的穩壓器解決方案大打折扣。顯然,轉換效率必須很高,以限制功率損耗,而且封裝設計必須具備很低的內部熱阻以及很低的環境連接熱阻。隨著解決方案的縮小,穩壓器和電路板之間的熱阻面積也減小了,這就使得保持電路板低溫度更加困難了,因為電源穩壓器通常將大多數功率損耗傳導到系統電路板中,從而顯著提高了系統的內部溫度。
真正的問題:熱量和冷卻成本
系統和熱設計工程師花費大量時間對這些復雜的電子系統進行建模和評估,以設計能去除以熱量形式體現功率損耗的解決方案。一般用空氣流動和散熱器來去除這種不想要的熱量。真正的問題是,隨著系統內部溫度的升高,新式處理器、FPGA和定制ASIC通常消耗顯著增大的功率。不幸的是,這需要電源穩壓器提供更多功率,而且將增大內部功率損耗,從而進一步升高系統溫度。因此,消除功率損耗和熱量是非常重要,而且高密度電源解決方案必須限制功率損耗,并有效地消除熱量。但是,封裝極其緊湊的電源解決方案要么耗散過多的功率,要么無法有效地移除熱量,因此假如不實施大幅度的降額就不能在高溫環境中運作。需要一種適合的解決方案來幫助緩解這一實際問題。
毫不奇怪,為了使大功率設計的溫度保持在合理水平,注意冷卻方法是至關重要的。安裝風扇、冷卻板、散熱器以及有時將系統浸沒到特殊液體中都是一些設計師被迫采用的方法的實例。所有這些方法都是昂貴但必要的。不過,如果一個大功率負載點穩壓器能提供所需功率,同時能均勻和高效率地消散熱量,那么冷卻這部分電路的要求就會降低,從而能減少冷卻系統的尺寸、重量、維護工作和成本。
功率密度是誤導
談論高功率密度DC/DC穩壓器是誤導的,因為它不涉及器件溫度問題。當系統設計師決定選用一款可滿足系統對于DC/DC穩壓器的電氣、物理和電源要求的產品時,應當教會他們從器件的產品手冊中尋覓到更多的相關信息。下面舉一個例子:如果一個2cm x 1cm的DC/DC穩壓器向負載提供54W功率,它的功率密度額定值為27W/cm2。這一數字也許會給一些設計師留下深刻印象,并滿足他們的搜尋要求:想要的功率、想要的尺寸和想要的價格。不過,被忘記的是熱量最終會轉變成溫度上升。如欲獲取重要的相關信息,則需研究分析DC/DC穩壓器的熱阻抗,尋找封裝的“結點至外殼”、“結點至空氣”和“結點至PCB”熱阻數值。
繼續看上面的例子,該器件還有另一個吸引人的屬性。它以令人印象深刻的 90% 的效率工作。它消耗 6W 功率,同時提供 54W 輸出,所采用的封裝具備 20ºC/W 結點至空氣的熱阻。6W乘以20ºC/W,結果為在環境溫度之上升高120ºC。當在45ºC的環境溫度時,這個似乎令人印象深刻的DC/DC穩壓器封裝結溫的計算結果就是165ºC。165ºC不是一個令人感覺很好的值,原因有兩點:(a) 它高于大多數硅IC大約為120ºC的最高溫度;(b) 它需要特別關注,以保持結溫在一個低于120ºC的較安全值。
上述的簡單計算有時會被忽視了。一個看似滿足所有電氣和功率要求的DC/DC穩壓器未能滿足系統的熱量指導原則,或者被證明由于在安全的溫度環境中工作需要采取額外措施,因此用起來太過昂貴。在首次參與評估電壓、電流和尺寸等屬性時,記著研究DC/DC穩壓器的熱性能是很重要的。
本文將介紹一種新的高密度和可擴展的LTM4620微型模塊(µModule)穩壓器。內容將包括電氣、機械/ 封裝和熱性能以及不同的可擴展型電源設計。目標是展示一種新的高密度、可擴展的電源穩壓器,該穩壓器具備卓越的電氣性能、低功率損耗和獨特的耐熱增強型封裝設計,可幫助克服高功率密度挑戰。
[page]
LTM4620 雙通道13A 或單通道26A µModule 穩壓器
圖1顯示了LTM4620 µModule穩壓器的照片。LTM4620采用SIP (系統級封裝),是15mm x 15mm x 4.41mm LGA器件。它能在13A時提供兩個獨立輸出,或在26A時提供單個輸出。該封裝支持在頂部和底部安裝散熱系統,以實現卓越的熱量管理。

圖1:LTM4620 封裝:15mm x 15mm x 4.41mm LGA
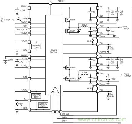
圖2 顯示了LTM4620 µModule穩壓器的方框圖。LTM4620由兩個高性能同步降壓型穩壓器組成。輸入電壓范圍為4.5V 至16V,輸出電壓范圍為0.6V 至2.5V,而LTM4620A 的輸出電壓范圍為0.6V 至5.5V。LTM4620的電氣特性為±1.5%的總輸出準確度、經過全面測試的準確均流、快速瞬態響應、具備自定時和可編程相移的多相并聯工作、頻率同步以及準確的遠端采樣放大器。保護功能包括反饋參考的輸出過壓保護、折返過流保護和內部溫度二極管監視。

圖2:LTM4620 方框圖
LTM4620 獨特的封裝設計
圖3 顯示了一個尚未模制的LTM4620之染色側視圖和頂視圖。封裝設計由熱傳導性很高的BT襯底和足夠的銅箔層組成,以提高電流承載能力并實現至系統電路板的低熱阻。一種專有引線框架功率MOSFET棧用來提供高功率密度、低互連電阻、以及給器件的頂部和底部提供很高的熱傳導性。專有散熱器設計連接到功率MOSFET棧和功率電感器上,以提供有效的頂部散熱。可以在頂部的裸露金屬面上加上一個外部散熱器,以利用空氣流動去除熱量。由于該專有散熱器的構造和模制封裝,僅有氣流而沒有散熱器就可去除頂部的熱量。

圖3:LTM4620 的染色側視圖和尚未模制的 LTM4620
圖4顯示了LTM4620的熱像以及在26A設計時12V至1V的降額曲線。當具有200LFM氣流時,溫升僅為35°C (在環境溫度以上),而且降額曲線顯示:一直到大約80°C時最大負載電流都無需降額。圖4顯示了熱量數據,這些數據顯示了耐熱增強型高密度電源穩壓器解決方案的真正優點。獨特的封裝設計在小尺寸中盡可能減少功率損耗,并有效地去除了作為功率損耗函數的熱量。

圖4:LTM4620 熱像及減額曲線
LTM4620 的電氣性能

圖5:LTM4620、兩相 1.5V/26A 并聯輸出
圖5顯示以雙輸出均流模式工作的LTM4620。這種配置提供密度非常高的1.5V/26A解決方案。RUN、TRACK、COMP、VFB、PGOOD 和VOUT引腳連接在一起,以實現并聯工作。該設計顯示了一種利用一個LTC2997溫度傳感器監視器監視LTM4620內部溫度二極管的方式。溫度采樣二極管可由很多不同的器件監視,這些器件監視一個連接二極管的晶體管。
[page]
圖6顯示兩相并聯輸出、1.5V 時的效率和兩通道均流性能。就如此高密度的解決方案而言,86%的效率是相當好的,而且正如圖4 的熱量數據所示,由于電路板安裝后的低 ?JA 熱阻,溫度上升得到了良好控制。有效的頂部和底部散熱系統使LTM4620能以很少的溫度上升及滿功率工作。圖6顯示了VOUT1 和VOUT2的均流性能。
LTM4620的內部控制器經過了準確微調和測試,以實現輸出均流。這使LTM4620成為高密度、可擴展電源解決方案的卓越選擇。高效率和快速瞬態響應電流模式架構很好地滿足了高性能處理器、FPGA 和定制ASIC所需的低壓內核電源要求。出色的輸出電壓初始準確度和差分遠端采樣在負載點提供適當的DC電壓調節。獨特的熱量控制能力和卓越的均流允許將輸出電流能力擴展至高達超過100A。為每個穩壓器通道設定多相工作無需外部相移時鐘源。每個LTM4620具有一個“時鐘輸入”引腳和一個“時鐘輸出”引腳,以及用于對并聯通道進行定時的內部可編程相移功能。可以選擇外部頻率同步或內部內置定時。這些定時功能進一步實現了功率調整概念。

圖6:兩相、1.5V 的效率和均流圖
圖7顯示了8 相、4 個µModule 穩壓器100A 設計圖片以及所有4個穩壓器的均流圖。所有8個相位是定時相位,并連接到一起以實現可擴展至100A 的均流方案。正如圖7注釋所示,要支持100A的電源解決方案,實際的µModule穩壓器占用的電路板空間大約為1.95平方英寸。這就為這類大電流提供了卓越的高密度電源解決方案。一個散熱器可以運用到所有4個模塊上,以通過空氣流動去除電源損耗。這可防止大量電源損耗消散到系統電路板中。

圖7:8 相、4 個 µModule 穩壓器可擴展至 100A的設計
LTM4620 µModule穩壓器為高密度電源解決方案提供了一種新概念。這款高性能穩壓器裝在一個進行了卓越的熱設計的封裝中,使大功率設計能在非常小的外形尺寸內實現。具備準確均流的多相定時功能實現了25 A、50 A和超過100 A的可擴展設計。LTM4620 獨特的熱特性在環境溫度逐漸上升時,允許全功率工作。在實現大電流設計的同時,還可以將功率損耗和溫度控制在可接受的水平。
相關閱讀:
Linear專家講解:基于LT8300的隔離型反激式轉換器設計
http://m.sn-icity.com/power-art/80020871
半月談:IGBT應用設計全面剖析
http://m.sn-icity.com/power-art/80020864
基于UCC27531的電源開關驅動設計
http://m.sn-icity.com/power-art/80020860



