【導讀】大家都明白如果電源出現低PF負載是很不好的事情,比如電力公司會因低PF負載而遭受損失,這是主要因為電力公司必須提供更高的發電能力,從而滿足由于負載的低PF而產生的更大的線路電流的要求。所以在電源設計中加入PFC是很重要的,那么如何正確的在電源設計中加入PFC呢?
在2005年最新的IEC61000-3-2標準生效以前,大多數PC、顯示器和電視機的電源在采用110至120V,60Hz的單相交流電供電時都會產生過量的電源線諧波。在這個更新更嚴格的IEC標準的推動下,電源廠商開始通過增加功率因數校正(PFC)來最大限度地減少電源線諧波。
為了解IEC61000-3-2的影響,最好先了解一下直接穿過電源線放置負載電阻(R)的理想情況(圖1)。在這種情況下,正弦線路電流IAC與線路電壓VAC成正比,且與該電壓同相。因此:

這意味著,對于效率最高的無失真電源線操作來講,所有的負載都應作為有效電阻(R),而消耗和提供的功率是RMS線路電壓和線路電流的乘積。

不過,許多電子系統的負載都需要交流到直流的轉換。在這種情況下,典型電源的電源線上的負載由一個驅動電容的橋式二極管組成(圖2)。它是電源線的非線性負載,因為此橋式整流器的兩個二極管都位于輸入交流電源線電壓的正半周期或負半周期的直接電源通路中。此非線性負載僅在正弦電源線電壓的峰值期間汲取電源線電流,這樣會產生“多峰”輸入電源線電流,從而引起電源線諧波(圖3)。


非線性負載可使諧波大小與線路頻率下的基本諧波電流具有可比性。圖4顯示了相對于線路頻率下的基本諧波大小進行標準化的高階諧波電流大小。不過,只有圖1中給出的在與線路頻率相同的頻率下且與電源線電壓同相的諧波電流(在此案例中為線路頻率下的基本諧波)對提供給負載的平均功率起作用。這些諧波電流會影響同一電力線上的其他設備的工作情況。

電源線諧波的大小取決于電源的功率因數,功率因數的變化范圍為0至1。功率因數值越低,產生的諧波更大,功率因數值越高,產生的諧波越小。功率因數(PF)的定義如下:

其中,P = 實際功率(單位:瓦特);IRMS = RMS線路電流;VRMS = RMS線路電壓;VRMS * IRMS =視在功率(單位:伏特-安培/VA)。
PF還等于線路電流與電壓之間的相角(θ)的余弦值;從這個角度來講,式2可以重新寫成以下形式:

Cosθ的值是0至1之間的數字。
如果θ = 0°,則cosθ = 1且P = IRMS * VRMS,這與電阻負載的情況相同。當PF為1時,負載消耗電源提供的所有能量。
如果θ = 90°,則cosθ = 0;因此負載收到的功率為零。提供功率的發電機必須提供IRMS * VRMS的功率(即使沒有功率用于做有用功)。
因此,對于圖2中的二極管橋式電容器案例,式2的PF定義中剩下的唯一一個變量就是線路電流IRMS,因為線路電壓(VRMS)已通過電源線發電機固定至120V。電源線為提供給負載的給定平均功率而汲取的IRMS越高,功率因數(PF)就越低。圖2中的AC-DC轉換器采用120V的交流電源線電壓供電,并向負載提供600W的功率,同時汲取10A的線路電流,該轉換器的PF = 0.5。不過,圖1中PF為1的電阻負載僅從電源線中汲取5A的電流(該負載從120V交流電源線中汲取600W的功率)。
電力公司會因低PF負載而遭受損失,這是因為電力公司必須提供更高的發電能力,從而滿足由于負載的低PF而產生的更大的線路電流的要求。不過電力公司只會按提供的平均功率(單位為瓦特)向用戶收費——而不是按產生的伏安收費。
伏安與瓦特之間的這種差別要么以發熱的形式出現,要么反過來體現到交流電源線上。校正這種情況的最常見方法是采用功率因數校正。
[page]
功率因數校正
IEC-61000-3-2標準定義了給定功率級別允許的最大諧波電流。該標準1995年和2001年的初始版本已被2005年的版本3更新(請參見表)。2005年版本3對每相耗費的功率在75至600W之間,耗費的電流≤16A的(D類)PC、顯示器和電視機的電源線諧波電流提出了更加嚴格的要求。為滿足這些要求,設計工程師必須在D類電源中采用有源功率因數校正(PFC)。
許多PFC電路都采用升壓轉換器。傳統的PFC升壓轉換器中的一個限制因素是它只能由整流后的交流電源線供電,而這種電源線涉及兩級功率處理(圖5)。轉換器產生的波形更好地說明了這個問題(圖6)。此外,無法通過簡單有效的方法在傳統升壓轉換器中引入隔離。


采用升壓轉換器的全橋擴展(然后作為PFC轉換器進行控制)是一種引入隔離的方法(圖7)。不過,這種方法需要在初級增加四個晶體管,在次級增加四個二極管整流器(晶體管和整流器均在100kHz的開關頻率下工作),從而增加了復雜性。此外,四個增加的二極管位于以50/60Hz的線路頻率工作的輸入橋式整流器中。
[page]
圖7:作為PFC控制器控制的升壓轉換器的全橋擴展可以提供隔離
除了低頻正弦電流之外,線路電流還將在高開關頻率下疊加輸入電感紋波電流,這需要通過交流電源線上的一個額外的高頻濾波器進行濾波。由于增加了12個在硬開關模式下工作的開關,因此造成了較高的傳導和開關損耗。據報道,這種兩級方法及輔助開關器件的最高效率為87%。
由于升壓直流轉換增益的影響,這種方法還會出現啟動問題。它需要額外的電路對輸出電容進行預充電,以便轉換器能夠啟動。
要實現1kW或1kW以上的功率,設計工程師經常采用三級方法(圖8)。在圖8中,標準升壓PFC轉換器和隔離降壓轉換器位于輸入的橋式整流器之后。這總共需要14個開關。其中至少六個開關為高壓開關,這樣就進一步降低了效率,增加了成本。盡管如此,在使用最好開關器件的情況下,最高效率能夠達到90%左右,該頻率仍比兩級方法的效率要高。

圖8:至少1kW的電源一般采用三級PFC轉換器
如要實現中低功率,則有一個替代方法,該方法通過采用前向轉換器作為隔離級來減少開關數量(圖9)。在采用這個方法之前,必須注意這一點:雖然現在有10個開關,但與全橋式方案相比,正向轉換器中的四個開關器件向初級和次級開關施加了更大的電壓應力。此外,全橋式方案還需要四個磁性元器件。
[page]
圖9:此PFC電路采用隔離正向轉換器,這是一種通常在中小功率應用中保留的設置
無橋PFC轉換器
Teslaco公司總裁Slobodan Cuk博士開辟了這個領域的新天地,他研發出一種直接由交流電源線供電的無橋PFC轉換器(正在申請專利)。該轉換器據稱是首款真正的單級無橋AC-DC PFC轉換器。
為了實現這一壯舉,Cuk采用了一種新的開關功率轉換方法,這種方法稱為“混合開關”(hybrid-switching)。該方法采用僅包含三個開關的轉換器拓撲:一個可控開關S和兩個無源整流器開關(CR1和CR2)(圖10)。輸入交流電壓為正極或負極時,兩個整流器根據主開關(S)的狀態作出相應的導通和關斷操作。該拓撲由一個與輸入串聯的電感、浮動的能量傳輸電容(作為開關周期部件的諧振電容器)和一個諧振電感組成。

圖10:此無橋PFC采用混合開關方法,此方法則采用三個開關組成的轉換器拓撲: 一個可控開關(S)和兩個無源整流器開關(CR1和CR2)。
由于基于PWM方波開關的傳統轉換器采用電感和電容器,因此它們需要互補的成對開關。當一個開關導通時,其互補的開關就關斷,反之亦然。因此,只允許采用偶數個開關,而新型混合開關PFC轉換器可以采用奇數個(3個)開關。
在這種設置中,這樣的互補開關是不存在的。一個有源開關S單獨控制兩個二極管,其角色會根據交流輸入電壓的極性自動發生變化。例如,交流輸入電壓為正極時,CR1在開關S的導通間隔導電。而交流輸入電壓為負極時,CR1在開關S的關斷間隔導電。此外,CR2還根據開關S的狀態和輸入交流電壓極性自動作出反應。交流輸入電壓為正極時,CR2在開關S的關斷間隔導電;交流輸入電壓為負極時,CR2在開關S的導通間隔導電。
因此,三個開關可以在輸入交流線路電壓的正半周期和負半周期的整個周期內工作。因此,這種真正的無橋PFC轉換器無需全橋式整流器也可以工作,這是因為轉換器拓撲實際上執行了交流線路整流。最終在輸入交流線路電壓的正負半周期實現了同樣的直流輸出電壓。消除全橋式整流器相當于直接消除了損耗(特別是對于85V的低電壓線路而言)。
初級的有源開關S在開關頻率下調制和工作,該開關頻率比線路頻率高三個數量級(比如,開關頻率為50kHz時,交流線路頻率為50/60Hz)。占空比(D)可以通過控制開關的導通時間和所有的穩態指標(比如,直流轉換率)來定義,電感L的直流電流根據D來表示。
隨后,全波輸入線路電壓和輸入線路電流被感測后作為輸入發送至無橋PFC IC控制器。控制器對初級的開關S進行調制,強制輸入線路電流與輸入線路電壓成正比,從而提供理想的整功率因數。
該PFC轉換器真正出眾的特性是流電隔離擴展可以保持圖10中的三個開關組成的轉換器的簡單性。諧振電容器基本上分成了兩個串聯的電容器,隔離變壓器被插在它們分離的位置。
[page]
數字控制PFC
用于電源的低成本、高性能數字控制器的出現使得這類控制器開始應用于PFC設計。數字控制器可提供可編程配置、非線性控制、低器件數和實現通常使用模擬方法很難實現的復雜功能的能力。
如今的大多數數字功率控制器(比如TI的UCD3020)都具有集成式功率控制外設和功率管理內核,包括數字環路補償器、快速模數轉換器(ADC)、帶內置死區時間的高分辨率數字脈寬調制器(DPWM)、低功耗微控制器等。這些控制器支持無橋PFC等復雜的高性能電源設計。
例如,無橋PFC可以整合兩個直流-直流升壓電路:L1、D1、S1和L2、D2、S2(圖11)。D3和D4是慢速恢復二極管。單獨感測以內部電源地為基準的線路和中性點電壓可實現輸入交流電壓的測量。通過比較感測的線路和中性信號,固件可以判斷是正半周期還是負半周期。在正半周期時,第一個直流-直流升壓電路(L1-S1-D1)是有源電路,升壓電流通過D4返回至交流中性線。在負半周期時,L2-S2-D2為有源電路,升壓電路通過D3返回至交流電源線。

圖11:數字控制的無橋PFC由兩相升壓電路組成,但是每次只有一個相位為有源相位
與采用相同的功率器件的傳統單相PFC相比,無橋PFC和單相PFC應具有相同的開關損耗。不過,無橋PFC電流僅通過一個慢速二極管(正半周期時為D4,負半周期時為D3),而不是同時通過兩個二級管。因此,效率的提升依靠的是一個二極管與兩個二極管之間的傳導損耗之差。
無橋PFC的效率還可以通過全面導通不活動的開關來提升。比如,在正周期時,S2可以全面導通,而S1由PWM信號控制。由于在流動的電流低于某個值時MOSFET S2上的電壓降可能低于D4,返回電流會部分或全部流過L1-D1-RL-S2-L2,然后返回至交流電源。這就降低了傳導損耗,從而提高了電路效率(特別是在輕負載下的電路效率)。同樣,在負周期時,S1全面導通,而S2則進行開關控制。
在相同的交流電壓和直流輸出電壓下,輸出電流與電壓回路輸出成正比。在此基礎上,頻率和輸出電壓可以進行相應地調整。固件實現數字控制器中的電壓回路。由于輸出已知,因此很容易就能以低于模擬方法的成本實現該功能。
[page]
更多的數字PFC控制器
ADI公司最近發布了ADP1047和ADP1048數字PFC控制器,這兩款控制器還可以提供輸入電能計量和浪涌電流控制。ADP1047用于單相PFC應用,而ADP1048則針對交錯式和無橋PFC應用。
數字PFC功能基于傳統的升壓電路來為AC-DC系統提供最佳的諧波校正和功率因數。所有的信號都被轉換成數字信號,從而最大限度地提高靈活性;關鍵參數可以通過PMBus接口進行報告和調整。
總的來說,ADP1047和ADP1048的配置可以幫助設計工程師優化系統性能,最大限度地提高負載范圍的效率。這兩款IC可以精確地測量RMS輸入電壓、電流和功率。然后該數據可以通過PMBus接口報告給電源的微控制器。
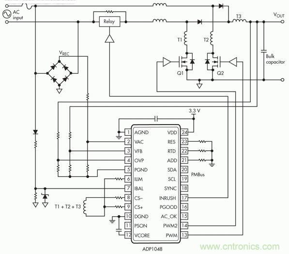
ADP1048的無橋升壓配置可以消除PFC轉換器的橋式輸入引起的傳導損耗(圖12)。在這種配置中,兩個功率MOSFET必須單獨驅動,以實現最高效率。從ADP1048發出的信號可以實現這一點。IBAL引腳可以檢測出交流線路相位和零交叉點。IBAL引腳的最高額定電壓為VDD + 0.3 V,因此該引腳需要采用合適的箝位電路進行保護。

在正交流電源線相位時,只有一個升壓級在有效工作。第二個級為無源級;Q2中的電流從源極流至漏極。在此相位時將Q2 FET全面導通可以最大限度地降低Q2的傳導損耗。當交流線路相位變為負時,Q1和Q2的角色則出現反轉,Q2進行有源開關,而Q1則始終處于導通狀態。相位信息通過IBAL引腳從交流線路中檢測。在軟啟動階段,兩個FET都作為預防措施進行開關操作。當IBAL引腳上的相位信息損壞或者不準確時就會出現這樣的情況。
相關閱讀:




