【導讀】充電時間是消費者和企業評估購買電動汽車的一個主要考慮因素,為了縮短充電時間,業界正在轉向直流快速充電樁(DCFC)和超快速充電樁。超快速DCFC和超快速充電樁繞過了電動汽車的車載充電機(OBC),直接向電池提供更?的功率,并根據電池容量以200A-500A的額定電流進?充電,以更高功率充電來實現大幅減少充電時間的目標。
充電時間是消費者和企業評估購買電動汽車的一個主要考慮因素,為了縮短充電時間,業界正在轉向直流快速充電樁(DCFC)和超快速充電樁。超快速DCFC和超快速充電樁繞過了電動汽車的車載充電機(OBC),直接向電池提供更?的功率,并根據電池容量以200A-500A的額定電流進?充電,以更高功率充電來實現大幅減少充電時間的目標。
正如安森美(onsemi)電源方案部執行副總裁兼總經理Simon Keeton日前在CES2024上接受采訪時所述,電動汽車市場數量的不斷激增,為緩解消費者對其里程焦慮與充電焦慮,配置雙向OBC可以實現快速充電,還可將電動汽車當作分布式儲能站回饋電網幫助消峰填谷,是一種頗具成本效益的方法。此外,他還表示從化石能源到光伏等新型能源基礎設施以及儲能系統,通過DCFC為電動汽車高效充電,是實現可再生能源轉型的大趨勢,對此安森美有著一系列的創新技術與產品能夠為汽車合作伙伴帶來優化的解決方案。
圖片為了實現更快的充電,以適配更高的電動汽車電池電壓并提高整體功率效率,DCFC必須在更高的電壓和功率水平下運行,這給OEM制造商帶來的挑戰是必須設計一種能在不影響可靠性或安全性的情況下優化效率的架構。由于DCFC和超快充電樁集成了各種元器件,包括輔助電源、傳感、電源管理、連接和通信器件,同時需要采?靈活的制造?法以滿?各種電動汽車不斷變化的充電需求,這給DCFC和超快速充電樁設計帶來更多的復雜性。
圖1. 直流快速充電樁主要模塊概覽
不同的制造商可提供額定電流為40A、48A和80A的商用2級交流充電樁。此外,制造商還開發了雙向2級交流充電樁以?持配備雙向OBC(功率?達11-22kW)的電動汽車。
圖2顯?出交流充電和直流充電之間的差異,對于交流充電(圖2左側),將OBC插?標準交流插座,OBC將交流電轉換為適當的直流電為電池充電。對于直流充電(圖2右側),充電樁直接給電池充電。
圖2. 交流充電和直流充電概念圖。資料來源:Yolé Development
當今的電動汽車配備了最?額定功率為22kW的依靠交流充電的OBC,而直流充電可提供更?的功率(通常為25kW-400kW,在某些情況下?達1MW)并繞過OBC直接向電池充電,這大大節省充電時間以及增加的便利性為電動汽車帶來了更多的使用場景。如果電動汽車需要八小時才能充滿電,對于?途駕駛來說則并不實?。
借助超快速充電樁,電動汽車可以在駕駛員休息時?量充電,從?增加?輛通?性。因此,到2030年,快速和超快速直流充電樁的復合年增長率預計將超過30%以上(來源:Yolé Development)。
?多數新型DCFC充電樁均采?雙CCS連接器和24英尺長電纜來開發,可根據電動汽車的電池容量以100A-300A的速率對電動汽車進行充電,下一代直流超快充電樁可以以高達500A的大電流充電,并提供400kW的功率。另一個例子是特斯拉充電樁,在其135kW和350kW充電站中使用專用的NACS連接器。福特、通用汽車、Rivian和其他充電樁制造商如ChargePoint、EVGo、Triump和Blink都支持在未來的電動汽車和充電樁中使用NACS連接器。
事實上,為助力客戶電動汽車直流超快速充電樁DCFC和儲能系統ESS提供雙向充電功能設計,在前不久的一次采訪中,安森美電源方案事業群工業方案部高級總監Sravan Vanaparthy提到安森美已推出了九款全新EliteSiC功率集成模塊(PIM),基于碳化硅的解決方案將具備更高的效率和更簡單的冷卻機制,顯著降低系統成本,與傳統的硅基IGBT解決方案相比,尺寸最多可減小40%,重量最多可減輕52%。這更緊湊、更輕的充電平臺,將為設計人員提供快速部署可靠、高效和可擴展的直流快充網絡所需的所有關鍵構建模塊,實現在短短15分鐘內將電動汽車電池充電至80%。
該系列PIM采用第三代M3S SiC MOSFET技術,提供超低的開關損耗和超高的效率,同時支持多電平T型中性點鉗位(TNPC)、半橋和全橋等關鍵拓撲,支持25kW至100kW的可擴展輸出功率段,采用行業標準F1和F2封裝,可選擇預涂熱界面材料(TIM)和壓接引腳,能夠實現最佳熱管理,避免因過熱導致的系統故障。正如Vanaparthy所強調的:“全面的PIM產品組合用于市場上的關鍵拓撲,這使設計人員能夠靈活地為直流快速充電或儲能系統應用中的功率轉換級選擇合適的 PIM。此外,安森美擁有的全垂直整合碳化硅供應鏈,不僅有助于快速擴大產能,還確保了產品的質量和可靠性。”
直流快速充電樁
設計DCFC充電樁時,有幾個影響架構設計和元器件選擇的關鍵因素需要考慮:
?標效率
首先,確定需要優化效率的電壓和功率范圍?常重要。由于充電樁在充電過程中以不同的功率運?,因此系統應該針對對電力輸送效率影響最?的情況進?優化。
分立設計或功率集成模塊
分立設計提供了最?的靈活性,但需要更復雜的開發過程。?模塊化提供了許多使?分立設計難以實現的性能優勢。例如,模塊在單個緊湊的封裝中集成了多個功率器件,簡化了機械裝配,優化了熱管理,提高了可靠性,并降低了電壓尖峰和高頻電磁干擾(EMI)。
電路拓撲
所選擇的拓撲結構(即兩電平或三電平)以及充電樁是否需要單向或雙向供電將最終影響元器件的選擇,有許多拓撲結構可?于實現直流充電樁的功率因數校正(PFC)和DC?DC轉換。
本文將詳細介紹該應?中使?的各種隔離式DC?DC拓撲,DC?DC轉換常?拓撲如下:
? 相移全橋
? 全橋LLC
? 變頻和相移CLLC
? 交錯三相LLC
? 雙有源橋(DAB)
這些拓撲包括采用650V或1200V開關和二極管的兩電平和三電平系統。
隔離式直流電壓轉換拓撲
由于電動汽車電池不能接地,因此需要在電網和電池之間進行電隔離,電池和電?之間的隔離可確保充電期間對電池的保護。電動汽車DCFC的大功率DC-DC轉換必須進?隔離,?功率快速充電樁(25kW-350kW)可采用全橋LLC拓撲、相移全橋拓撲、雙有源橋(DAB)和雙有源橋CLLC拓撲。全橋LLC拓撲和相移全橋拓撲包含次級全橋整流器。
這些通常?于單向充電樁,雙有源橋和雙有源橋CLLC拓撲更常?于雙向充電樁,超快速充電樁(400kW-1MW)通常使?串聯半橋LLC拓撲或快速充電電容三電平拓撲。
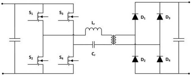
全橋LLC拓撲
全橋LLC拓撲由初級全橋電路、諧振LLC諧振回路和次級全橋整流器組成,如圖3所?。LLC變換器可在初級實現零電壓開關 (ZVS),在次級實現零電流開關 (ZCS),需要變頻操作來調節輸出電壓。LLC諧振變換器使?磁化電流來實現ZVS,從?降低關斷損耗和變壓器損耗,建議將LLC拓撲?于具有固定輸?電壓的窄輸出電壓范圍的應?,從而實現?效率。然?,LLC諧振變換器在輕負載條件下會遇到?ZVS操作的問題,為了?持輕負載條件和寬輸出電壓范圍,需要實施相移控制、PWM占空?控制和混合調制?案來調節輸出電壓。LLC變換器中的諧振電容器需要在?功率和?輸?電壓下承受?電壓應力。
圖3. 全橋LLC拓撲
為了實現更?的功率并減少諧振電容器的應力,可使?交錯式三相LLC諧振拓撲,如圖4所?。
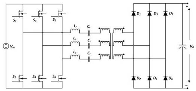
交錯式三相LLC諧振變換器
交錯式三相LLC諧振變換器通過將損耗分布在三相上來實現滿負載時的?效率,并減少電容器和電源開關上的應力。然?,這種拓撲結構在電池充電至額定電壓時,會因為充電電流減小導致充電效率較低。為了在所有負載條件下實現更?的效率,需要實施切相。雙相和單相諧振變換器在 50% 負載以及低負載條件下將實現高效率,并在低負載條件下實現輸出電壓調節。
圖4. 交錯式三相LLC拓撲
相移全橋 (PSFB) 變換器
相移全橋(PSFB)變換器由初級全橋電路、諧振電感、次級整流橋和LC濾波器組成,如圖5所?。PSFB變換器通過相移控制和零導通損耗實現了初級開關的ZVS。然?,這種拓撲會對初級開關和輸出整流器產?明顯的關斷損耗。
圖5. 相移全橋變換器
由于變壓器次級漏感、輸出?極管電容和輸出濾波電感之間的諧振,輸出?極管會受到?壓振鈴的影響。為了減少輸出?極管的電壓過沖,需要采?有源或?源緩沖器。
通過將輸出電感移到初級,并將輸出整流器直接連接到輸出電容,就可以構成電流饋電移相全橋電路,這種?法減少了輸出?極管的過沖并減少了振鈴。電流饋電PSFB變換器適用于高效充電高壓電池。
雙有源橋變換器
雙有源橋變換器(DAB)由初級全橋、變壓器漏感、次級全橋和濾波電容組成,如圖6所?。DAB變換器不需要串聯電容和電感等額外的諧振元件,?是使?變壓器漏感和功率開關的輸出電容來實現軟開關。與諧振變換器不同,DAB變換器對元件變化不太敏感。寬禁帶半導體的出現促進了DAB變換器在雙向功率流應用中的普及。
圖6. 雙有源橋變換器
DAB變換器適用于寬輸出電壓范圍和負載條件下的電池充電應用,通過與變壓器漏感和初級開關的輸出電容形成諧振電路,實現初級開關(安森美的EliteSiC MOSFETs)的ZVS。
次級橋式開關實現ZCS操作,具有較低的開關損耗,但導通損耗較?。通過在次級橋電路中使?低RDSon EliteSiC MOSFET,可以降低導通損耗。與其他拓撲結構相?,DAB變換器具有?密度、?效率、較低的元件應力以及更小的濾波器元件。在DAB變換器中,功率流動是通過初級和次級電壓的相移控制來實現的。為了提?電池充電應?的性能,需要寬輸出電壓增益以及所有負載情況下的ZVS條件。
雙相移控制(DPS)等各種調制技術引?了初級和次級開關的占空?控制,提供了額外的?由度。DPS控制降低了所有開關器件的應力并擴展了所有負載情況下的ZVS范圍。三相移(TPS)控制將提供額外的?由度來提?輕負載效率,同時切換到DPS控制來保護變壓器飽和,以減少在中等至最大負載條件下的循環電流,納米晶和?晶軟磁材料的應用使得?效率變壓器能夠在?開關頻率下運?。為了實現75kW及以上的?功率,可使?交錯式DAB變換器。
免責聲明:本文為轉載文章,轉載此文目的在于傳遞更多信息,版權歸原作者所有。本文所用視頻、圖片、文字如涉及作品版權問題,請聯系小編進行處理。
推薦閱讀:
電池增強器 IC 可巧妙地延長無線應用中紐扣鋰電池的使用壽命
采用 GaN 的汽車降壓/反向升壓轉換器,可實現高效 48 V 配電





