【導讀】本文以PLC應用為例,說明多功能、低成本的高度集成ADAS3022如何通過更換模擬前端(AFE)級,降低復雜性、解決多通道數據采集系統設計中遇到的諸多難題。這種高性能器件具有多個輸入范圍,非常適合高精度工業、儀器、電力線和醫療數據采集卡應用,可以降低成本和加快產品面市,同時占用空間很小,易于使用,在1 MSPS速率下提供真正的16位精度。
可編程邏輯控制器(PLC)是很多工業自動化和過程控制系統的核心,可監控和控制復雜的系統變量?;赑LC的系統采用多個傳感器和執行器,可測量和控制模擬過程變量,例如壓力、溫度和流量。PLC廣泛應用于眾多不同應用,例如工廠、煉油廠、醫療設備和航空航天系統,它們需要很高的精度,還要保持穩定的長時間工作。此外,激烈的市場競爭形勢要求必須降低成本和縮短設計時間。因此,工業設備和關鍵基礎設施的設計人員在滿足客戶對精度、噪聲、漂移、速度和安全的嚴格要求方面遇到了嚴峻的挑戰。本文以PLC應用為例,說明多功能、低成本的高度集成ADAS3022如何通過更換模擬前端(AFE)級,降低復雜性、解決多通道數據采集系統設計中遇到的諸多難題。這種高性能器件具有多個輸入范圍,非常適合高精度工業、儀器、電力線和醫療數據采集卡應用,可以降低成本和加快產品面市,同時占用空間很小,易于使用,在1 MSPS速率下提供真正的16位精度。
PLC應用示例
圖1顯示在工業自動化和過程控制系統中使用PLC的簡化信號鏈。PLC通常包括模擬和數字輸入/輸出(I/O)模塊、中央處理器(CPU)和電源管理電路。
在工業應用中,模擬輸入模塊可獲取和監控惡劣環境中的遠程傳感器信號,例如存在極端溫度和濕度、振動、爆炸化學物品的環境。典型信號包括具有5 V、10 V、±5 V和±10 V滿量程范圍的單端電壓或差分電壓,或者0 mA至20 mA、4 mA至20 mA、±20 mA范圍的環路電流。當遇到具有嚴重電磁干擾(EMI)的長電纜時,通常使用電流環路,因為它們本身具有良好的抗擾度。
模擬輸出模塊通??刂茍绦衅?,例如繼電器、電磁閥和閥門等,以形成完整自動化控制系統。它們通常提供具有5 V、10 V、±5 V和±10 V滿量程范圍的輸出電壓,以及4 mA至20 mA的環路電流輸出。
典型模擬I/O模塊包括2個、4個、8個或16個通道。為滿足嚴格行業標準,這些模塊需要提供過壓、過流和EMI浪涌保護。大多數PLC包括ADC和CPU之間、CPU和DAC之間的數字隔離。高端PLC可能還有國際電工委員會(IEC)標準規定的通道間隔離。很多I/O模塊可以對每通道的對單端或差分輸入范圍、帶寬和吞吐率單獨進行軟件編程。
在現代PLC中,CPU自動執行多個控制任務,利用實時信息訪問進行智能決策。CPU可能包含高級軟件和算法以及Web連接,用于差錯校驗診斷和故障檢測。常用通信接口包括RS-232、RS-485、工業以太網、SPI和UART。

圖1. 典型PLC信號鏈。
分立式數據采集系統方案
工業設計人員可以使用分立式高性能組件,為PLC或類似數據采集系統構建模擬模塊,如圖2所示。主要設計考慮因素包括輸入信號配置、整體系統速度、精度和精確性。此處所示的信號鏈采用 ADG1208/ADG1209 低泄漏多路復用器、 AD8251快速建立可編程增益儀表放大器(PGIA)、 AD8475高速漏斗放大器、AD7982差分輸入18位 PulSAR®ADC和 ADR4550超低噪聲基準電壓源。這種解決方案提供四個不同增益范圍,但在±10 V的最大輸入信號的情況下,設計人員必然會擔心多路復用器的切換和建立時間,以及其他模擬信號調理問題。此外,在1 MSPS速率下實現真正的16位性能可能是一個嚴峻挑戰,即便在使用這些高性能器件時也是如此。
AD7982具有滿量程階躍的290 ns瞬態響應性能。因此,要在1 MSPS速率下進行轉換的同時保證指定性能,PGIA和漏斗放大器必須在710 ns時間內建立。但是,AD8251針對10 V階躍達到16位轉換精度(0.001%)的建立時間為785ns,因此該信號鏈的保證最大吞吐率將小于1 MSPS。

圖2. 使用分立式元件的模擬輸入信號鏈。
集成式解決方案簡化數據采集系統設計
16位1 MSPS ADAS3022數據采集系統IC采用專有高壓工業工藝技術iCMOS®制造,集成8通道、低泄漏多路復用器;高阻抗PGIA (具有高共模抑制);高精度低漂移4.096 V基準電壓源和緩沖器;16位逐次逼近型ADC。如圖3所示。

圖3. ADAS3022功能框圖。
這個完整傳感器數據采集解決方案占用的電路板空間僅為分立方案的三分之一,有助于工程師簡化設計,同時減小高級工業數據采集系統的尺寸,縮短產品面市時間,節省成本。它使得我們無需對輸入信號進行緩沖、電平轉換、放大、衰減或其他調理,也消除了我們對共模抑制、噪聲和建立時間的擔憂,還解決了與設計高精度16位1 MSPS數據采集系統相關的諸多難題。它可在1 MSPS速率下(典型 SNR為91 dB)提供同類最佳的16位精度(典型INL為±0.6 LSB)、低失調電壓、低溫度漂移和優化噪聲性能,如圖4所示。該器件的額定溫度范圍為–40°C至+85°C工業溫度范圍。

圖4. ADAS3022的INL和FFT性能。
PGIA具有很大的共模輸入范圍、真正的高阻抗輸入(>500 MΩ)和寬動態范圍,這使得它能夠處理4 mA至20 mA的環路電流,精確測量小傳感器信號,抑制交流電力線、電機和其他來源的干擾(90 dB的最小CMR)。
輔助差分輸入通道可處理±4.096 V輸入信號。它旁路多路復用器和PGIA級,允許與16位SAR ADC直接接口。片內溫度傳感器可以監控本地溫度。
這種高集成度可以節省電路板空間,降低整體部件成本,使得ADAS3022非常適合空間受限的應用,例如自動測試設備、電力線監控、工業自動化、過程控制、病人監護以及其他工業和儀表系統,它們都采用±10 V的工業信號電平工作。

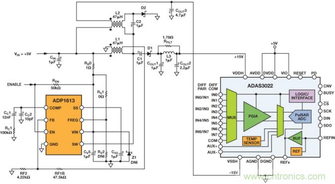
圖5. 采用集成PGA的完整5 V、單電源、8通道數據采集解決方案。
圖5顯示完整的8通道數據采集系統(DAS)。ADAS3022采用±15 V和+5 V模擬和數字電源,以及1.8V至5V邏輯I/O電源。高效率、低紋波DC-DC升壓轉換器 ADP1613使得DAS能夠采用5 V單電源工作。ADP1613使用ADIsimPower™ 設計工具配置為單端初級原邊電感(SEPIC)拓撲,提供多路復用器和PGIA所需的±15 V雙極性電源,而不會影響性能。
表1對ADAS3022和分立信號鏈的噪聲性能進行了比較,并利用每個元件的輸入信號幅度、增益、等效噪聲帶寬(ENBW)和折合到輸入端的(RTI)噪聲,計算整個信號鏈的總噪聲。
表1. ADAS3022和分立信號鏈的噪聲性能

AD8475和AD7982(圖2)之間的單極點低通濾波器(LPF)可以衰減來自AD7982的開關電容輸入的反沖,限制高頻噪聲量。LPF的–3 dB帶寬(f–3dB) 為6.1 MHz(R = 20 Ω,C = 1.3 nF),在1 MSPS速率下進行轉換時,可快速建立輸入信號。LPF的ENBW計算方法為:
ENBW = π/2 × f–3dB = 9.6 MHz.
請注意,此計算方法忽略了來自基準電壓源和LPF的噪聲,因為它不會對主要由PGIA決定的總噪聲產生很大影響。
以使用±5 V輸入范圍為例。在此情況下,AD8251的增益設置為2。漏斗放大器設置的固定增益為0.4,適用于所有四種輸入范圍。因此AD7982要處理0.5V至4.5V的差分信號(4 V p-p)。ADG1208的RTI噪聲從Johnson/Nyquist噪聲公式得出:en2 = 4KBTRON,
其中 KB = 1.38 × 10 23 J/K, T = 300K, 和 RON = 270 Ω.
AD8251的RTI噪聲由數據手冊中增益為2時的27 nV/√Hz噪聲密度得出。同樣,AD8475的RTI噪聲也由10 nV/√Hz噪聲密度得出,使用的增益為0.8 (2 × 0.4)。在這些計算中,ENBW = 9.6 MHz。AD7982的RTI噪聲則根據數據手冊中增益為0.8時的95.5 dB SNR計算得到。整個信號鏈的總RTI噪聲根據分立元件的RTI噪聲的方和根(rss)計算。89.5 dB的總SNR可通過公式SNR = 20 log(VINrms/RTITotal)計算。
雖然分立信號鏈的理論噪聲估計值(SNR)和整體性能與ADAS3022相當,特別是在低增益(G = 1和G = 2)和低吞吐率(遠低于1 MSPS)條件下,但它并非理想解決方案。與分立式解決方案相比,ADAS3022可以節省大約50%的成本和大約67%的電路板空間,它還可以接收其他三個輸入范圍(±0.64 V、±20.48 V、±24.576 V),這是分立式解決方案無法提供的。
結論
下一代工業PLC模塊需要高精度、可靠運行和功能靈活性,所有這些特性都必須通過外形小巧的低成本產品提供。ADAS3022具有業界領先的集成度和性能,支持廣泛的電壓和電流輸入,以便處理工業自動化和過程控制的各種傳感器信號。ADAS3022是PLC模擬輸入模塊和其他數據采集卡的理想之選,它使得工業制造商能夠讓他們的系統具有與眾不同的特性,同時滿足更加嚴苛的用戶要求。
我們邀請您在EngineerZone上的模擬對話社區 發表評論。
參考電路
Kessler, Matthew. Synchronous Inverse SEPIC Topology Provides High Efficiency for Noninverting Buck/Boost Voltage Converters, Analog Dialogue, Vol. 44, No. 2, 2010.
Slattery, Colm, Derrick Hartmann, and Li Ke. PLC Evaluation Board Simplifies Design of Industrial Process Control Systems, Analog Dialogue, Vol. 43, No. 2, 2009.
Circuit Note CN0201. Complete 5 V, Single-Supply, 8-Channel Multiplexed Data Acquisition System with PGIA for Industrial Signal Levels.
MT-048 Tutorial. Op Amp Noise Relationships; 1/f Noise, RMS Noise, and Equivalent Noise Bandwidth.
推薦閱讀:




